HMC499LC4/HMC499LC4TR中級功效拖動器無引腳 ADI現貨交易
公布(bu)的精(jing)力:2018-06-26 11:11:34 瀏覽(lan)記錄:2173
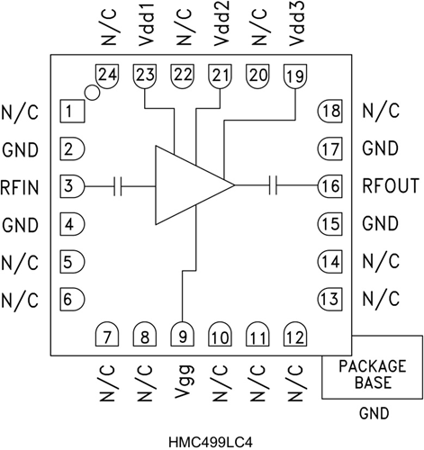
HMC499LC4是款高技術性性條件GaAs PHEMT MMIC適中輸出調小器,選擇非常符合RoHS規范標準的無引腳“無鉛”SMT封口。 該調小器更具21至32 GHz的工作中條件,給出16 dB增益控制、+24 dBm飽和輸出和16% PAE(+5V供電電流)。 隔直RF I/O一致至50 Ω,應用方便快捷。 HMC499LC4不能不線焊,可以應用表貼研制技術性。
|
品牌
|
型號
|
描述
|
貨期
|
庫存
|
|
ADI
|
HMC499LC4
HMC499LC4TR
|
中等功率放大器,采用SMT封裝,21 - 32 GHz
|
現貨
|
215
|
應運
-
點對點無線電
-
點對多點無線電和VSAT
-
測試設備和傳感器
優缺點和性能
-
輸出IP3: +34 dBm
-
飽和功率: +24 dBm (16% PAE)
-
增益: 16 dB
-
+5V(200 mA)電源
-
50 Ω匹配輸入/輸出
-
符合RoHS標準的4x4 mm SMT封裝
型(xing)式(shi)圖
