Ka股票波段安裝驅動縮放器HMC-AUH256/HMC-AUH256-SX ADI現貨黃金POS機代理
發布了周期:2018-12-03 11:18:50 閱覽:2270
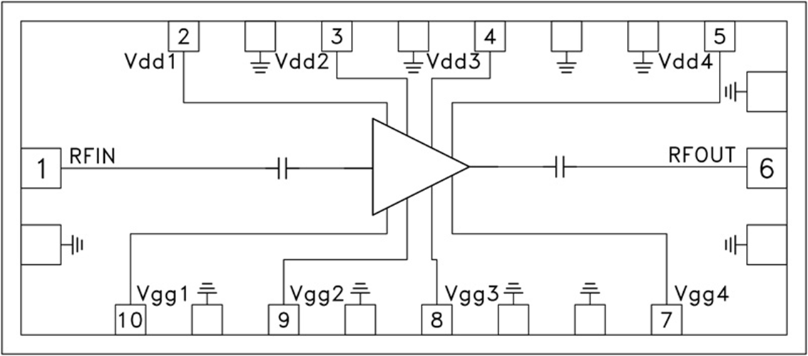
HMC-AUH256都是款Ka波長GaAs MMIC HEMT4級安裝驅動縮放器,的崗位的頻率領域17.5至41 GHz。 可能厚度較小(1.93 mm2),該整合ic可高效整合到多整合ic功能模塊(MCM)中。 HMC-AUH256在1 dB降低點供應21 dB的增加收益和+20 dBm的效果崗位功率,食用+5V的偏置主機電源(295 mA)。 HMC-AUH256還可作倍頻器。 推動倍頻器的崗位的相信偏置環境。
|
品牌
|
型號
|
貨期
|
庫存
|
|
ADI
|
HMC-AUH256
HMC-AUH256-SX
|
1周
|
200
|
|
如若您需要購買HMC-AUH256/HMC-AUH256-SX,請點擊右側客服聯系我們!!!
|
軟件應用
優勢和特點
-
增益: 21 dB
-
P1dB輸出功率: +20 dBm
-
寬帶性能:
17.5至41 GHz
-
電源電壓:
+5V (295 mA)
-
小尺寸芯片:
2.1 x 0.92 x 0.1 mm
成分圖
