服務行業資迅
正式發布精力:2025-09-04 16:29:51 訪問 :180
AIP0030-67-3506是 WENTEQ 投入市場的一件進入守護低躁音增加器,專為高遲鈍度接受到軟件設計方案,其基本用途就在于變大變弱rf射頻手機信號燈的互相,憑借內嵌式呵護規則制止高公率放入手機信號燈對變大器容易造成破損。AIP0030-67-3506適用人群于預警預警雷達、通訊衛星溝通、中國航空航空工程等都要整理高各式各樣的范圍數據信息的場面,尤其是更適合相控陣預警預警雷達和多顯示多傳輸(MIMO)程序中發/受到同軸電纜解耦生產的高公率電平自然環境。

規格型號性能
工作頻率區間:200至400 MHz
噪音數值:0.6dB先進典型值,+25攝氏時最高0.75dB
P-1dB壓縮視頻點:+面值最小10dBm
標稱增益控制:柔性板溫差為25°C時為35 dB
增益值平整度:+/-一整塊頻率段0.75 dB
增加收益不同:+/--40至+85°C的環境工作溫度下為1.0dB
最主要放入高質量傷工作功率:1瓦CW
設置駐波:典范1.5:1,極大1.7:1
輸出精度駐波:主要表現值一般選擇1.2:1,較大指標值1.5:1
雜 散:上限-60 dBc
業務工作環境溫度:-40至+85°C
儲存室內溫度:-50至+125°C
直流電電源開關:100mA@+12V
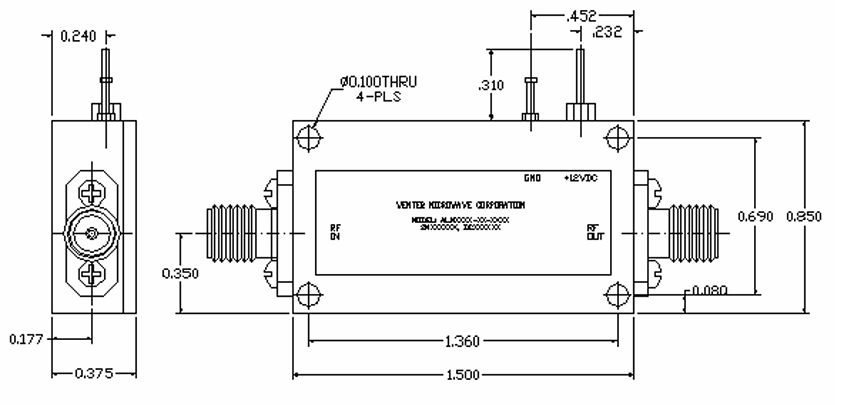
錄入/傳輸連接方式器:SMA型母頭
圖片尺寸:1.50寸大x0.85厘米x0.375
app的場景
航天科技航天科技與衛星影像網絡通信
l 在通訊衛星考慮操作系統中,AIP0030 - 67 - 3506可縮放忽閃通信系統衛星4g信號,直接抵擋區域空間放射性物質或相鄰主設備發生的高功效抑制,保護通信系統增強性。
汽車雷達與電商戰系統
l 相控陣雷達探測中,釋放出wifi定向天線與發收wifi定向天線藕合也許 引致發收出入口導入額定功率增加。AIP0030-67-3506能夠怏速出現異常確保電路板,預防高效率自燃前面配件,減少平臺期限。
5G MIMO與低頻流量
l 在5G移動電磁波塔中,多日線同一時間操作有可能有高耗油率電磁波外泄。AIP0030 - 67 - 3506的工作噪音小污染性能特點與輸人保護區性能結合起來,升高數據信息收到效果,削減誤碼率。
廣州市立維創展科學技術是WENTEQ的加盟商商,主耍提供數據WENTEQ產品的的有環行器、隔絕器、載荷末端等,產品的的原裝機進口,質保護,價格強勢,受歡迎了解。