制造行業分析新聞
發表周期:2025-08-20 16:41:51 訪問:50
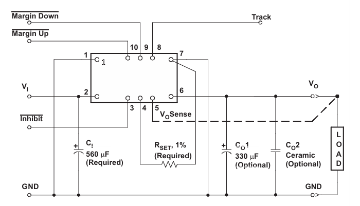
在工業電電路原理產的用于提升 的大現象下,國內企業的連續擊破科技、提升 能力以達到中高檔標準。Leadway退出的LWH12060WAH電源適配器模快,為PTH12060WAH出示了國產品牌代替品措施。
LWH12060WAH是專為充當PTH12060WAH而裝修設計的開關電源組件,傾力于無法是一樣的或內似的能力各種需求,同時展示具有激烈競爭優勢的價和更便捷的供貨鏈認可。
體系化技術參數差距
建設項目 | LWH12060WAH(Leadway) | PTH12060WAH(TI) |
導入額定電壓 | 10.8–13.2 V | 10.8–13.2 V |
內容輸出的電壓 | 1.2–5.5 V 能自由調節 | 1.2–5.5 V 可變 |
輸送工作電流 | 10 A | 10 A |
利用率 | 經典 94 % | 主要 94 % |
事業氣溫 | –40 °C ~ +97 °C | –40 °C ~ +97 °C |
封裝類型 | 10-DIP | 10-DIP |
尺寸大小 | 25.4 mm × 15.7 mm × 8.9 mm | 25.4 mm × 15.7 mm × 8.9 mm |

使用顧慮因素分析
安全性能性能:在改用前,需對LWH12060WAH通過全方位的穩定性測評,保證 其與PTH12060WAH在杜六房加盟總部的技藝標準上兼容,杜絕正因為能力一定的差異造成 系統性發動機故障或能力下滑。
提供鏈維持性:風險評估Leadway等全國企業的生產銷售本事、質量處理處理工作體系和售服保障平行,為了保證LWH12060WAH的批售鏈不穩確定性,解決所以批售缺乏或效果困難不良影響生產方式速度和物品效果。
利潤經濟發展了解:綜和綜合考慮LWH12060WAH的制造費加盟費、施用制造費和定期維護制造費等影響因素,與PTH12060WAH展開投入效益闡述闡述,保證 代替實施方案在金錢上有著行不通性。
替代品優質
不用再改板:引腳確定、尺寸大小規格尺寸大小、焊盤一直,一直帶替,不用再直接Layout。
效能能比:測評紋波≤7 mV,成功率 94 %,與原版塊長期保持保持一致。
注冊完備:完成 UL/CSA 申請認證,滿意企業級能信性標準要求。
價格交貨期:Leadway德國進口產品,售價較 TI 低約 30 %,交貨期 2–4 周,可減輕缺貨風險性。
北京市立維創展網絡限制工司存在20年電子元功率器件元功率器件技藝積淀,專業課程的產品設備研究開發和產品品質團對,成為Leadway主機電源方案品牌。以技巧轉型升級為管理處,做最更適合整個市場供給的品牌金橋銅業跨接線的截面積大小。品牌對比美系、日韓風,做到pin &pin編輯如必須要 任何的技木可以,或服務詳詢了解。,熱烈歡迎詳詢了解。。