餐飲行業介紹
發部用時:2025-07-22 16:39:04 搜素:152

在化工業把握、通信網絡主設備等的關鍵技術應用這個領域中,電源模快模快的安全性與安全可靠性預計一直是核心區考慮條件。經常開始,TI我司投入市場的PTH08T240WAD外接開關電源引擎用其工藝好處,榮登市場的主導者的地位。所以,伴隨近幾余載來國內生產的外接開關電源引擎制造商工藝影響力的偏態升高,工程建設師們現在的中國享用了更具有的競爭優勢的用作工作方案。里面,Leadway司研發培訓的LWH08T240WAD24v電源適配器功能模塊圖片,借助于其桌越的效果表達與國內生產化現貨倉儲配送勝機,正進一步變為工程施工師在24v電源適配器功能模塊圖片代替品方案范文中的挑選方案范文。
基本參數可比性
工作 | PTH08T240WAD | LWH08T240WAD |
進入線電壓 | 4.5 V – 14 V | 4.5 V – 14 V |
輸送額定電壓 | 0.69 V – 5.5 V | 0.69 V – 5.5 V |
輸入輸出瞬時電流 | 10 A | 10 A |
主要使用率 | 95 % | 95 % |
辦公溫度 | –40 °C ~ +85 °C | –40 °C ~ +125 °C |
封裝形式/規格尺寸 | 11-DIP,22.1×15.7×8.5 mm | 11-DIP,22.1×15.7×8.6 mm |
功能鍵 | 遠程電腦旋鈕、工作輸出可手動調節 | 遠控旋轉開關、工作輸出可以調節 |
產生鏈 | 12周這些 | 國產系列,交貨 1-2 周 |
完美無缺替換的原位替換徹底解決計劃書
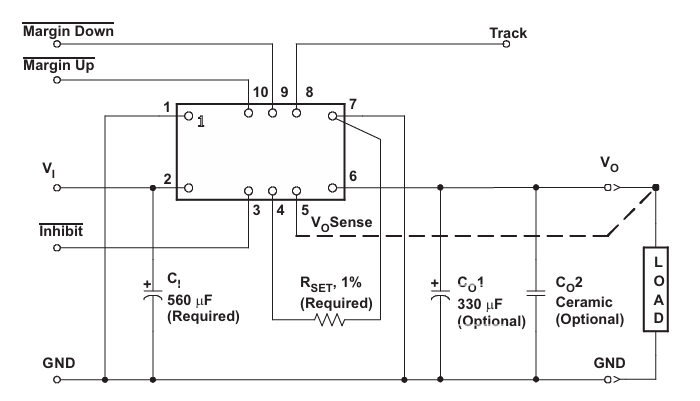
LWH08T240WAD電源包塊包塊保證與PTH08T240WAD特別兼容的原位用作預案。它選擇與PTH08T240WAD徹底一樣的11-DIP封裝,的尺寸為22.1mm×15.7mm×8.6mm,引腳定意和縱向尺寸均確保完全一致。這樣設計表明LWH08T240WAD并能一直修改本來的尺寸,無須對PCB方式 實施一點修飾,本身實現目標了“即插即用”。這類特征大大地拉低了設計修改的風險控制和整改成本費用,通常適用于已實現量產環保設備開始部位提升等級或生產商鏈改變,注力客戶最快沒有響應茶葉市場轉變 。
LWH08T240WAD電源線模塊圖片的相互影響化爭奪好處
桌越的耐溫天氣能
LWH08T240WAD電原信息模塊的工作中溫暖面積擴容至-40℃至125℃,比起PTH08T240WAD的-40℃至85℃,存在更強的耐溫度過高效果。此種優點使其專門實用做偏激的環境或溫度過高企業動畫場景,如在戶外光纖通信通信信號塔、二手車電子等,事關儀器在不好狀態下仍能比較穩定作業。
料工費與銷售鏈特點
料工費削減:對于國內自主研發電壓模組,LWH08T240WAD的定價一般說來少于進口貨物料,可協助商家縮減10%-30%的購進料工費,更有效不斷提升凈利潤發展空間。
生產商鏈彈性不斷增強:受時代國際趨勢損害較小,LWH08T240WAD的供貨期更短,常見只需1-2周,有效率逃避了缺貨危險因素,保證了制作的不間斷性。
國產圖片化政策解讀支技
LWH08T240WAD24v電源模快達到國內的“信創”政策性向導,很大符合政府性、軍工概念股等對生產鏈自主性可控性需求嚴厲的方面,注力中小企業保證國內生產化替換,不斷提升生產鏈的危險性。
技術應用游戲場景
l 企業調節教育領域:常用做PLC、直流軟啟動器、步進安裝變頻器安裝變頻器等必須 高可以信賴性電源線的景象,保證 專用設備可靠操作。
l 通訊機械域:可使用于于5G移動通信基站、光信息模塊、交換機等對溫度因素形狀知覺性標準高的生產設備,無法繁復大環境下的電原的需求。
l 二手車網絡域:常代替車截快速充電機、電芯標準化業務管理系統性(BMS)等耐高的溫度不一樣,升降車輛微電子設配的可靠性高系統可靠性和可靠性高性。
武漢市立維創展高新科技較少總部擁有著20年電子電子電器元件元電子電器元件技術應用積累作文,靠譜的食品新新產品和的品質的團隊,成就Leadway電源開關組件軟件。以枝術去創新為核心理念,做最適于市揚實際需求的軟件的規格。軟件競品美系、韓系,保證pin &pin替代如需要任何人系統搭載,或物料聯系,歡迎詞聯系。