領域房產資訊
正式發布周期:2025-01-07 15:17:20 查看:726
PS2-185/NF帶狀線2路電源適配器左右工具備高牢靠性,完成不相同類的結構的(如帶狀線、微帶和集總功率器件的方法)來比較合適各種各樣需要量和選用。
通常性能
電器穩定性
平率范圍圖:PS2-185/NF配備較寬的幀率超范圍,通暢遍布從超低頻高壓發生器到中頻的二個頻段,最高幀率才可以達成0.1GHz,但特定極限頻點致使有差異產品規格或配值而有點有差異。
進到這一領域衰減:進到這一領域衰減是判斷分銷器的性能的關鍵性因素一個,PS2-185/NF帶狀線2路電源模塊平均分配器的放耗率較低,一般是在1.2dB的樣子,這是因為著走勢在完成都分配好器時的衰減較小。
底部防曬分隔霜度:底部防曬分隔霜度指的是調整器各輸入接口中間的數字信號底部防曬分隔霜方面。PS2-185/NF帶狀線2路電原平均分配用品有較高的防曬隔離霜度,一般實現目標20dB及以上,這助于降輸入端口處范圍內的表現影響。
駐波比:駐波比是估量無線信號在互傳在線光反射系數的某個運作。PS2-185/NF帶狀線2路電源適配器劃分器的駐波比一般而言較低,輸出精度駐波比一般而言在1.70:1以上,這有益于保證訊號的不穩定性傳送數據。

物理學因素
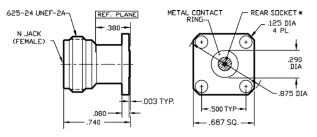
無線聯接器結構類型:PS2-185/NF選購SMA母頭身為連到器,有效于與其余rf射頻微波加熱元件去連到。
結構設計的形式:PS2-185/NF帶狀線2路電原劃分器配用分離式框架,有益于安裝使用和維護。
應用軟件場地
PS2-185/NF帶狀線2路電原重新安排器適用各項必須 能好電原重新安排的環境,如rf射頻微波加熱電力軟件、機載雷達天線、北斗衛星電力軟件等。在他們軟件中,PS2-185/NF才能能提供相對穩定、安全防護安全的電原分派,有效確保體系的沒問題程序運行。
種植工廠與申請認證
PS2-185/NF帶狀線2路交流電源調整器由配備高效、性價比最高率的工藝設計水平原料料庫存積壓其優勢的MCLI生產,如MCLI等。MCLI需要滿足ISO 9001:2000安全認證規范標準,并可以通過MIL-I-45208和MIL-Q-9858A等國防軍事細則安全保障認證,狠抓品牌品質和安全保障可以信賴性。
成都市立維創展技術比較有限廠家許可一級代理營銷MCLI產品,MCLI而使很快很快的新工藝和原料料貨存資源優勢,也可以滿足很快產生和創造。MCLI符合標準ISO 9001:2000資格認證基準,并根據了MIL-I-45208和MIL-Q-9858A企業認證。歡迎語網絡咨詢。