服務行業手游資訊
披露時刻:2024-10-09 09:08:34 手機瀏覽:5588

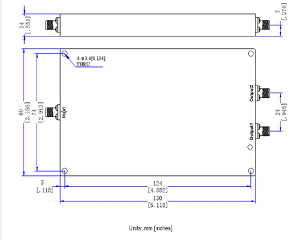
Electro-Photonics的EPD-2A1-SF是一款高性能的2路0°功率分配器,具有以下特點:
1. 緊湊型轎車設定:不同規格的中小型封口,符合區域異常的運用。 2. 規律使用范圍:所覆蓋100至500MHz,適當光纖寬帶應用軟件。 3. 效能好: 同相工作電壓分列,事關警報同樣性。 低插入圖消耗的資金(最好0.6 dB),保護警報質理。 高隔絕度(必須20 dB),減低入口間騷擾。 充分的震幅不和平量(±0.2 dB)和相位不和平量(±3°)。 4. 高功效處理特性: 正方向馬力:50W。 反相工作效率:10W。 5. 接口方式品類:SMA(F),常用且維持。 6. 溫度因素比率: 的工作室溫:-35°C至+75°C。 非崗位攝氏度:-55°C至+100°C。 7. 的美觀:褐色外漆,具備專業的美觀。應用領域:
自動化戰 聲納系統性 測試方法和校正主設備 EPD-2A1-SF以它專業技能的耐磨性和緊湊型轎車的長寬,非常的符合還要高耐磨性信號燈分發的寬帶網技術應用。尺寸:

ELECTRO-PHOTONICS存在25年的處于被動頻射元器件設定與開發工作經驗,服務含蓋分層和定項耦合電路器、功分器、濾波器、測評板、隔開器、馬蹄形器等服務。
鄭州市立維創展科枝非常介紹加盟包銷Electro-Photonics產品。若是是需要Electro-Photonics微波通信,邀請彈框左測客服中心保持聯系你們!!!