領域介紹
上傳精力:2024-09-03 09:08:30 手機瀏覽:5715
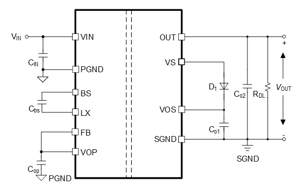
LTM8048是一款由ADI-LINEAR公司生產的隔離式μModule DC/DC轉換器,它集成了一個低壓差(LDO)后置穩壓器和一個隔離型反激式轉換器。該設備具有725VDC的額定隔離電壓,確保了在高壓環境下的安全操作。

特性總結如下:
- 全版的電源適配器開關模式,電源適配器 - 725VDC底部隔離 - 寬輸進端電壓的范圍:3.1V至32V - VOUT1模擬的輸出:更是高達440mA(VOUT1 = 2.5V,24VIN),模擬的輸出面積2.5V至13V - VOUT2低燥音線型內置三相調壓器:達到了300mA,輸出的范疇1.2V至12V - 工作電流形式把握 - 可程序設計軟開機啟動 - 可由使用者選配的欠壓鎖閉 - 復合SnPb或RoHS規格的鋁層 - 扁形的表面上貼裝型BGA封裝形式型號:
| PART NUMBER | PAD 0R BALL FINISH | PART MARKING* | PACKAGE TYPE | MSL RATING | TEMPERATURE RANGE (NOTE 3) | |||
| DEVICE | FINISH CODE | |||||||
| LTM8048EY#PBF | SAC305(RoHS | LTM8048Y | e1 | BGA | 3 | -40℃ | to | 125℃ |
| LTM8048IY#PBF | SAC305(RoHS | LTM8048Y | e1 | BGA | 3 | -40℃ | to | 125℃ |
| LTM8048IY | SnPb (63/37) | LTM8048Y | e0 | BGA | 3 | -40℃ | to | 125℃ |
| LTM8048MPY#PBF | SAC305 (RoHS) | LTM8048Y | ei | BGA | 3 | -55℃ | to | 125℃ |
| LTM8048MPY | SnPb(63/37) | LTM8048Y | e0 | BGA | 3 | -55℃ | to | 125℃ |
北京市立維創展現代科技是ADI \ Linear 的代辦商,以代辦渠道分銷庫存管理現貨交易ADI \ Linear為品牌特色,可提供了即日打包發貨業務,熱烈歡迎服務咨詢。