相關行業報告、短視頻軟件
上傳準確時間:2025-09-05 16:31:19 網頁瀏覽:139
SQ79002AJE是SILERGY矽力杰投放市場的一個隔離防曬式DC/DC轉型器,一般起源于供貨鏈突然中斷(如關停、收貨卡頓或成本費大漲)、機械性能更新訴求(如認為極高錯誤率、5kV底部隔離技能等級或更寬鍵盤輸入範圍)、裝封寸尺禁止(需更狹窄來設計)、合規管理性符合要求(如內容更新安全性證書或環保節能政策法規),或是技巧不斷給我們的太久要貨切實保障和特點括展(如多輸送或可以調整電阻)等關注,企業需綜合性分析利潤、機械性能、系統可靠性性和開發技術期限后采用既定用作計劃書。
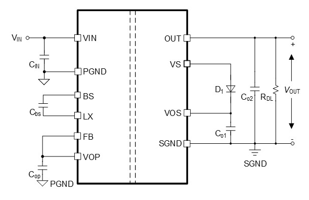
SQ79002AJE產品規格技術參數
進入輸出功率使用范圍:4.5V-14V
模擬輸出工作電壓:5V
耗油率:1W
防曬隔離霜等級分:3kVDC 隔絕
二極管封裝尺寸圖:9.6mm×3.4mm×2.8mm

方案設計 A:ADI MAX17687(單面 Iso-Buck,最高的人 5 W)
1. 功率器件
? MAX17687AATC+ 4 mm×4 mm TQFN-20
2. 關鍵的主要參數
? 3.5–36 V 手機輸入(可聯 5 V 母線)
? 隔絕后 5 V→5 V/1 A 或 3.3 V→3.3 V/1.5 A(完成匝比調整)
? 集合 1 kV/3 kV 隔離電力變壓器,學習效率 85 %–90 %
3. 后級穩壓
? 若要 0.8–3.3 V/6 A,可在隔離霜次級再換一粒 SQ79002AJE 或 TPS56C215 做2次減壓。
4. 認證證書 / 大小
? 4 mm×4 mm + 6.5 mm×5 mm 袖珍型電壓器,總體經濟積 ≈ 200 mm3;已用 UL/EN 60950 隔絕認真。
方案 B:TI SN6505B + 外置微型變壓器 + 次級同步 Buck
1. 集成電路芯片鏈
? 動力:SN6505BDBVR(SOT-23-6)
? 電壓器:Coilcraft DA2303-AL(5 mm×5 mm×3 mm,1 kVrms)或 Würth 750311485(4.8 mm×5.8 mm×2.8 mm,3 kVrms)
? 次級整流:MBRS340T3G(SMA)
? 次級 Buck:沿用 SQ79002AJE(3 MHz,6 A)
2. 關鍵的性能
? 輸進 3.3 V/5 V,隔絕打印輸出 5 V/1 W 或 3.3 V/1.5 W
? 使用率 80 %–85 %(含后級 Buck 后整體布局 70 %–75 %)
3. 資質認證 / 體積大小
? 電力變壓器已按照 IEC/UL 防護隔離;產品高 <3 mm,適于板內 PoL 場合。
實施方案 C:MPS MIDxW 系(SIP/SMT 丟開磚)+ 次級 Buck
1. 電子元器件
? MID1W0505A-2(SIP-4,5 V→5 V/200 mA,3 kV/5 kV 底部隔離)
? MID3W0505A-2(SIP-7,5 V→5 V/600 mA,3 kV/5 kV 屏蔽)
2. 級聯策略
? 先由 MID 模塊圖片生產 5 V 丟開母線,再能夠 SQ79002AJE 降血壓到電動機扭矩電壓降。
3. 重要基本參數
? 效果 80 %–85 %(方案)+ 90 %(次級 Buck)
? 的成品電源模塊已按照 CE/UL;必須超額電壓器設計制作,交貨期極短。
選用速查表
計劃 | 要進行隔離級別 | 公率 | 體積太 | 企業認證 | 提示 |
A MAX17687 | 1 kV/3 kV | ≤5 W | 面值最小 | UL/EN60950 | 單支,周圍極簡生活 |
B SN6505B | 1 kV/3 kV | 1–5 W | 中 | IEC/UL | 輕松低壓變壓器電機選型 |
C MIDxW | 3 kV/5 kV | 0.5–3 W | 最主要 | CE/UL | 即插即用,需帶磁件的設計 |
總結
- 若追求夢想較小化磁塊件與調試程序工做量,安全可靠MAX17687;
- 若原有 5 V 母線、只需1 W級隔離防曬,可以SN6505B + Coilcraft/Würth 微干式變壓器;
- 若要隨便更換原材料隔離防曬磚,用MPS MIDxW即刻,后級仍抹去SQ79002AJE 做6 A降血壓。
SILERGY(矽力杰)主要生產電源開關電源模塊心片、電源開關電源模塊電源模塊等模擬系統集成電路芯片。對於SILERGY矽力杰的主機電源包塊的產品,立維創展打造pin to pin原位替代品物料,外盤優勢價錢,的歡迎了解和咨詢。