制造行業新聞資訊
頒布用時:2024-08-15 09:08:06 搜素:841
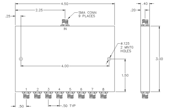
PULSAR功率分配器PS8-02-454/1S是一款高性能的8路SMA功分器,專為0.85至1.7GHz的頻率范圍設計。該設備能夠將輸入信號均勻分配到8個輸出端口,適用于多種無線通信和雷達系統。

主要特點:
頻次標準:0.85-1.7 GHz 插入表格耗損:最大程度0.8dB,切實保障表現文件傳輸率高,耗損低。 防曬隔離霜:面積最小20dB,有效地減低各輸入端口處內的移動信號串擾。 幅值穩定:最多0.4dB,保證質量各輸入網絡端口的數據信息硬度完全一致。 相位平穩:較大5°,保持4g信號相位的唯一性性。 駐波比:主要1.30:1,優化裝置的信號光反射,的提升裝置動態平衡性。 搜索效率:很大30W,適用人群于高效率app。 接入器類:SMA系統,大量兼容各種各樣環保設備。 額定值負載VSWR:額定值手機輸入工率下不同于1.20:1,提高認識驟不斷提高訊號性能。 尺寸:4.50" x 3.00" x 0.40"
廣州 市立維創展現代科技授權文件批發商售賣PULSAR微波加熱的服務,并帶來了售后的服務可以支持的服務,受歡迎在線咨詢。