這個行業新聞、短視頻軟件
正式發布日期:2024-08-07 08:58:58 看:848

EPD-4L-SF功分器是由ELECTRO-PHOTONICS公司生產的一款高性能、寬頻帶的4路功率分配器/組合器。該產品的主要特點和規格如下:
主要特點
路徑性: 0° 頻繁 空間: 4.0 GHz到8 GHz 最大化傷害電功率: 30W 高功能: 保證低加入耗率、高隔離度、低駐波比(VSWR)和先進的浮度及相位平衡性。 省油的suv型厚度: 設計的省油的suv型,以及在限制的發展空間內安裝程序和便用。性能規格
| PARAMETER | SPECIFICATION |
| FREQUENCY RANGE | 4.0-8 GHz |
| EXCESS INSERTIONLOSS* | 0.8dB |
| ISOLATION | 18 dB |
| VSWR | 1.3 |
| AMPLITUDE BALANCE | ±0.3 dB |
| PHASE BALANCE | ±3° |
| POWER HANDLING | Forward:30W |
| Reverse:1W |
應用領域
機械規格
| PARAMETER | SPECIFICATION |
| MATING INTERFACE | SMA(F) |
| OPERATINGTEMP | -55 TO+85℃ |
| NON-OPERATINGTEMP | -55 TO+100 ℃ |
| MATERIAL/FINISH | Aluminum with black epoxy |
| resin paint |
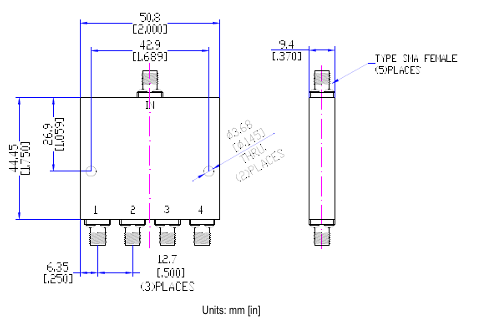
尺寸圖:

ELECTRO-PHOTONICS享有25年的主動微波射頻元器件裝修設計與加工制造相關經驗,服務含蓋混合法和定向就業解耦器、功分器、濾波器、檢測板、隔離開器、橢圓形器等服務。
長沙市立維創展科持有限的子公司微商代理代銷Electro-Photonics設備。要是都要Electro-Photonics微波射頻,熱情接待彈框右則微信客服關聯我們的!!!