該行業新聞資訊
發布新聞時光:2024-08-05 08:43:30 網頁瀏覽:790

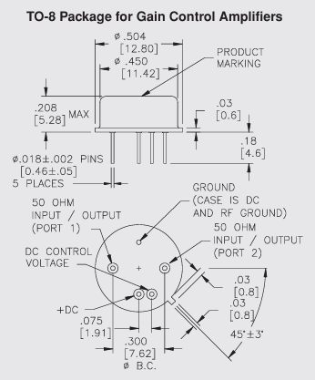
AGC525 TO-8增益控制放大器是由Teledyne防務光學生產的一款高性能產品。以下是該產品的詳細介紹:
基本參數
款式:AGC525 封口類型:TO-8標準的盡寸封口類型,適合于收獲把握調小器 增加收益:具代表性臨界值25.5dB,世界最大臨界值24.0dB至24.5dB 增加收益溝壑度:最大化±0.8dB 環境噪聲數值:極大5.0dB,展示漂亮 駐波比(SWR):傷害傷害串口均小于等于2.0:1控制特性
管控規模:0到+5V AGC的的范圍:是較為小的30dB,情況出寬的的范圍的把控能力素質 反映時長:全AGC下超過10微秒,就能加效率高電氣特性
| Parameter | Typical | 0 to 50℃ | 55 to+85℃ |
| Frequency (Min.) | 10-600 MHz | 10-500 MHz | 10-500 MHz |
| Gain (Min.) Vo=0 | 25.5 dB | 24.5 dB | 24.0 dB |
| Gain Flatness(Max.) | ±0.5 dB | ±0.7 dB | ±0.8 dB |
| AGC Range(Min. | 30 dB | 26 dB | |
| Noise Figure (Max.) | 5.0 dB | 6.0 dB | 6.5 dB |
| SWR (Max.) Input/Output | <1.6:1 | 2.0:1 | 2.0:1 |
| Power Output (Min.) @1dB comp | +11.0 dBm | +10.0 dBm | +9.5 dBm |
| Response Time Full AGC | <10 μsec | ||
| DC Current(Max.) Bias | 45 mA | 48 mA | 51 mA |
| DC Current(Max.) Vo | 0 to 10 mA |
佛山市立維創展新材料技術是Teledyne防務自動化的經銷處商,出示Teledyne防務電子器材物料適用于LDMOS、GaN、GaAs和InP。Teledyne防務光電子新產品系列不支持寬頻帶寬度、窄帶、智能調小器,速率1MHz~220GHz,工作效率mW~10kW,勝機的渠道保證Teledyne防務電子設備購貨,祝賀資訊。