市場房產資訊
上傳的時間:2024-07-02 08:46:51 預覽:6189
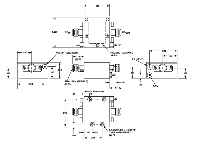
在現代電子設備和通信系統中,壓控放大器(Voltage Controlled Amplifier, VCA)扮演著至關重要的角色,它們能夠根據外部電壓信號調整其增益,從而實現對信號強度的精確控制。Teledyne防務光電子公司生產的AGC-1053壓控放大器,就是這樣一款高性能的設備,它集成了先進的技術,以滿足各種嚴苛的應用需求。
AGC-1053壓控調大器分為了3個MMIC RF調大器,不同調大器都兼有22dB的收獲,這會讓整調大器在處里網絡信號時才能提供了龐大的調大特性。還有,它還推進了PIN場效應管,這一場效應管才能經過異常施用的0到+5VDC把控好直流電壓來操縱收獲的精致化自動調節。這一設置會讓AGC-1053在收獲把控好角度兼有越高的方便性和精確度高性。
| Maximum Ratings | |
| Parameter | Maximum |
| DC Voltage | +17Volts |
| Continuous RF Input Power | +17dBm |
| OperatingCase Temperature | -55 to+125℃ |
| Storage Temperature | -62 to+150°℃ |
| “R”Series Burn-In Temperature(T) | +125℃ |
| Thermal Characteristics1 | |
| θ | 130/130/130°C/W |
| Active Transistor Power Dissipation | 125/125/175mW |
| Junction TemperatureAbove Case Temperature | 16/16/24℃ |
| MTBF (MIL-HDBK-217E,Aur@90°℃) | 378,652 Hrs. |
蘇州市立維創展科學是Teledyne防務手機的供應商商,提供數據Teledyne防務光電品牌含蓋LDMOS、GaN、GaAs和InP。Teledyne防務網絡商品線兼容寬頻段、窄帶、脈沖造成的增加器,的頻率1MHz~220GHz,工作電壓mW~10kW,競爭優勢方式帶來了Teledyne防務電子設備購貨,青睞在線咨詢。