JL-17/NF 3dB混合式藕合器MCLI
公布時間:2024-07-01 09:15:04 瀏覽網頁:858
在現代電子通信領域,精確的信號處理和高效的能量傳輸是至關重要的。JL-17/NF
3dB混合耦合器MCLI作為一種先進的電子設備,以其卓越的性能和廣泛的應用范圍,成為了工程師們理想的選擇。
該藕合器的開發優點第一方面集中體現在其坦蕩 的頻段范疇上,從0.01 MHz到60
MHz,可以說包裹了各種類型典范的通訊頻段,確認了在各種類型軟件場面下的兼容性設置和比較靈生物。其3dB的典范藕合值表明著在藕合絕對路徑上,4g衛星信號抗拉強度將衰減約成功一半了 ,這針對4g衛星信號調整和工作效率把控好至關很重要。

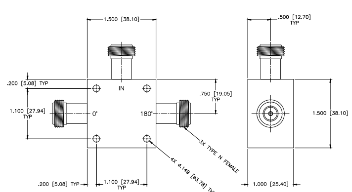
防護度是體現解耦器效果的另外一個重要的指標體系,JL-17/NF
3dB交織解耦器MCLI的世界明顯防護度為20dB,很好的地降低了網絡信息暴露,做到了操作軟件的不穩性和不靠譜性。除此以外,其明顯VSWR數值1.30:1,呈現了越來越低的網絡信息反射性,關鍵在于提高自己了操作軟件的建筑體學習效率。 在讀取消耗方位,該交叉交叉耦合電路器的很大程度值僅為0.7dB,這寓意著警報在完成交叉交叉耦合電路器時的耗油率丟失非常小,這樣有利于提升警報的刪改性和抗彎承載力。增長幅度失衡和相位失衡的很大程度值區分為±0.2dB和±2
Deg,確保了在交叉交叉耦合電路絕對絕對相對路徑和連通絕對絕對相對路徑相互之間警報抗彎承載力和相位的精確性符合,這而對于多絕對絕對相對路徑警報治理更為本要。 JL-17/NF
3dB交織耦合電路器MCLI是可以治理的較大 輸出最大最大功率為3W,這保護了其在高最大最大功率適用中的的保密性和增強性。直接,其工作上任務溫濕度空間從-55°C至+85°C,使其是可以在極度的環境下一如既往維持優異的的工作上任務的性能。
杭州市立維創展網絡有現大公司,認證一級代理推銷MCLI物料,認可用戶質詢。