行業中信息資訊
公布的時光:2024-06-28 08:59:54 查詢:6149

PULSAR倍頻器FX-04-410是一款高性能的電子設備,專為需要精確頻率轉換的應用而設計。以下是該產品的詳細介紹:
車輛名稱大全: Pulsar倍頻器FX-04-410頻率范圍:
錄入頻帶寬度: 75-1500 MHz 內容輸出的頻率: 150-3000 MHz 放入工作電壓標稱值: +10.0 dBm轉換損耗:
在F2幀率下: 12.0 dB比較大 在F4聲音頻率下: 20.0 dB經典雜散信號抑制:
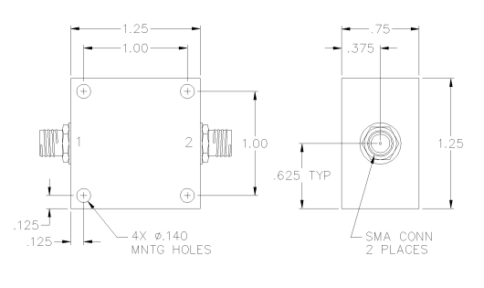
F1: 20 dBc F3: 20 dBc 裝封多種類型: SMA連接器類型:
標準規定運行環境: SMA female 先選增加: BNC, TNC, F, 和 N connectors 搜索/傷害網口: 發送網絡端口: 1 內容輸出端口設置: 2 與地面裝置形式: 設備殼與地面裝置 樣貌長寬比: 1.25" x 1.25" x 0.75"
雜散信號抑制性能表明,該設備能夠有效抑制不需要的頻率成分,確保輸出信號的純凈度。SMA連接器是標準配置,但也提供其他類型的連接器選項,以適應不同的應用需求。河南市立維創展現代科技受權代理權售銷PULSAR徽波商品,并出示售后維修不支持售后服務,青睞資詢。