制造行業動態、短視頻軟件
分享周期:2024-06-26 08:54:21 瀏覽網頁:864
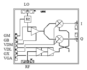
CHR2295-99F是UMS紅外光一款高性能的GaAs單片微波集成電路(IC),專為商業通信系統中的下變頻應用而設計。該芯片集成了多種功能,包括LO(本地振蕩器)時間雙倍頻器、平衡冷FET混頻器和RF低噪聲放大器(LNA),使其能夠有效地將LO信號轉換為RF信號。

該芯片的主要特點包括:
- 服務器帶寬的配置能力:RF服務器帶寬的配置為24-30 GHz,LO服務器帶寬的配置為12-15 GHz。 - 裝換收獲值:微波射頻收獲值(Conversion Gain)在11至15 dB兩者。 - 躁聲因子:3.5 dB,實使用在中頻段>0.1 GHz。 - LO輸入電功率:最高值一般選擇-10 dBm,最大程度值一般選擇10 dBm。 - RF插入工作功率:在1 dB增益控制收縮點時為-10 dBm。 - 低直流電源電機功率損耗:120 mA @ 3.5 V。 - 集成塊規格:2.49 x 1.97 x 0.10 mm。 CHR2295-99F選用pHEMT制作工藝生產加工,還具有0.252um的柵長,并憑借的基板孔、空氣的橋和網上束柵北極光刻技巧確保高高精密度和可以信賴性。處理器的表面開發為頻射和直流電接地裝置,抽象化了組裝的過程,增長了系統的的可以信賴性和機械性能。蘇州市立維創展科技發展限制大公司授權經銷UMS微波,針對部分型號的UMS產品提供優質的現貨產品庫存,歡迎咨詢。