服務行業資迅
上架耗時:2024-05-22 08:56:57 訪問:931

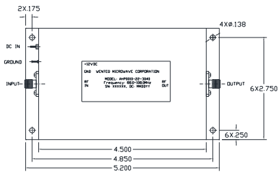
AHP0010-20-3040射頻功率放大器是WENTEQ公司生產的一款高性能微波設備。它具有以下特點:
1. 高打印輸出電壓打印輸出電壓:能供給到達10瓦特的P-1dB打印輸出電壓打印輸出電壓,保證 衛星信號接入的難度和轉化率。 2. 優異的VSWR:極具安全保持穩定的VSWR,保護了縮放器在任務的時候中的安全保持穩相關性。 3. 高速率的益Class AB進行步驟形式:運用Class AB進行步驟形式,即在堅持高速率的益率的也堅持較低的耗電。 4. SMA類形的女方接器:選擇SMA類形的女方接器,非常方便與任何微波加熱主設備接。 在電器因素,該擴大器的進行操作高溫標準內為-20至+65°C,存放高溫標準內為-45至+125°C,達到寬溫具體條件下的適用需要量。電器特點包涵概率標準內(88.0-108.0 MHz)、P-1dB壓縮的點(+39.0至+40.0 dBm)、打印輸出IP3(55.0 dBm)等,呈現該擴大器在rf射頻特點上表面比較好。 在機械化節構部分,該變成器長寬約為5.2x3.0x1.05英寸,主體工程的長寬更適合在設施設備內部或 外邊進行安裝。包括DC IN、GRDUND、INPUT、OUTPUT等相進行連接點,簡單與 外邊電源線路相進行連接。規格參數:
| Parameters | Units | Specifications | ||
| Minimum | Typical | Maximum | ||
| Frequency Range | MHz | 88.0 | 108.0 | |
| P-1dB Compression Point | dBm | +39.0 | +40.0 | |
| Output IP3 | dBm | 55.0 | ||
| Nominal Gain@25°℃ base plate temperature | dB | 27.0 | 30.0 | 33.0 |
| Gain flatness | dB | +/-1.0 | ||
| Gain Variation over temperature | dB | +/-1.5 | ||
| Input VSWR | 1.5:1 | 2.0:1 | ||
| Output VSWR | 1.8:1 | 2.0:1 | ||
| Spurious | dBc | -60.0 | ||
| Operating Temperature | ℃ | 40.0 | +75.0 | |
| Survival Temperature | ℃ | -45.0 | +125.0 | |
| DC Power Supply Voltage | V | 48.0 | 50.0 | 53.0 |
| DC Curren Quiescent (no RF) aPout=+40dBm | mA | 100 500 | 200 650 | |
| In/Out connectors | SMA-type female | |||
| Size | inches | 5.2x3.0x1.0 | ||
東莞市立維創展社會是WENTEQ的代理商商,重點提供數據WENTEQ貨品屬于橢圓形器、隔離防曬器、環境下用戶等,貨品原版進口清關,品質 保障,價格優點,迎接了解。