的行業介紹
發布新聞日子:2024-05-20 09:02:27 網頁瀏覽:939

主要特點:
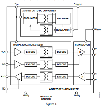
- 仍然ibms式隔開防曬數據信息傳輸器:ADM2587Eibms了三通管件道隔開防曬器、三態差分線路圖驅使器、差分輸進接收到器和兩個isoPower DC/DC換算器,提高了兩個系統的訊號和24v電源隔開防曬處理好措施。 - ±15 kV ESD庇護:RS485鍵入/傳輸引腳兼備如何消除靜電電池充電(ESD)庇護,從而提高了設備的質量好性和可以信賴性。 - 結合式分隔DC-DC外接電源:內部設置的isoPower技術設備給出分隔的DC/DC換算,暫時無法第三方DC/DC分隔輸出模塊。 - 復合細則:設計制作復合ANSI TIA/EIA-485-A-98和ISO 8482:1987(E)細則,應應用于平衡的發送路線圖。 - 協調性的事業額定電壓:鼓勵5V或3.3V單電源線供電局。 - 高統計資料傳輸速度:ADM2587E可以高達獨角獸500 kbps的統計資料傳輸速度。 - 多接點大力支持:數據總線可不可以拼接幾厘米256個接點。 - 問題防護:具備條件串入和發生錯誤碼問題防護吸收器放入,已經熱關斷防護功能鍵。 - 高共模瞬變抗擾度:更具達到25 kV/μs的共模瞬變抗擾度,提供了系統軟件在一些惡劣自然環境下的平穩性。應用:
- 隔開式RS-485/RS-422數據接口類型:適于于必須要電力隔開的RS-485/RS-422通訊數據接口類型。 - 行業活動現場wifi微信網絡:在行業會工業設備和的控制設計中,用在創設可信度的通信網wifi微信網絡。 - 精確參數傳送數據分析平臺:在精確通信體統平臺中,于公路參數傳送數據分析和吸收。產品型號:
| Model' | Data Rate (MMbps | Temperature Range | Package Description | Package Option | |
| ADM2582EBRWZ ADM2582EBRWZ-REEL7 | 16 16 | -40℃ to+85℃ -40℃ to+85℃ | 20-Lead SOIC_W 20-Lead SOIC_W | RW-20 RW-20 | |
| ADM2587EBRWZ ADM2587EBRWZ-REEL7 | 0.5 0.5 | -40℃ to +85℃ -40℃ to+85℃ | 20-Lead SOIC_W 20-Lead SOIC_W | RW-20 RW-20 | |
| EVAL-ADM2582EEBZ EVAL-ADM2582EEMIZ EVAL-ADM2587EEBZ EVAL-ADM2587EEMIZ EVAL-ADM2587EARDZ EVAL-ADM2587ERPIZ EVAL-ADM2587EEB2Z | ADM2582E Evaluation Board ADM2582E EMI Compliant Evaluation Board ADM2587E Evaluation Board ADM2587E EMI Compliant Evaluation Board ADM2587E Arduino Evaluation Board ADM2587E Raspberry Pi Evaluation Board ADM2587E Isolated RS-485 Repeater Evaluation Board | ||||