行業領域新聞資訊
推送的時間:2024-05-16 09:15:52 瀏覽記錄:892
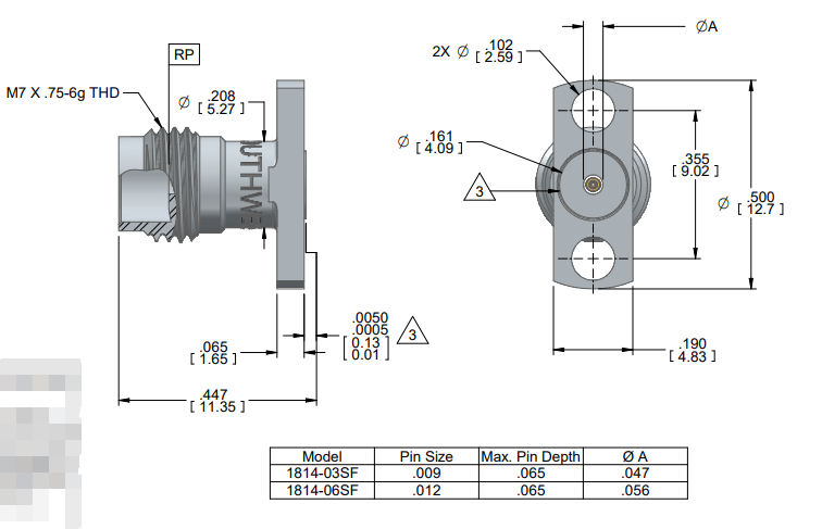
SOUTHWEST東南微波射頻 1814-06SF系列是一款專為高頻應用設計的1.85mm(V)插孔連接器,具有2孔法蘭安裝配置。該連接器為母頭設計,能夠接受直徑為0.012英寸的公插針,并提供氣密密封功能,確保在高頻應用中的性能穩定。它支持18GHz、27GHz、36GHz、40GHz、50GHz和67GHz的頻率范圍,適用于微波通信、雷達系統和測試測量設備等高頻應用場景。連接器采用2孔法蘭安裝方式,法蘭尺寸為0.500英寸長,孔直徑為0.102英寸,使用T-291-5型孔刀具和T-212-15型焊料工具進行安裝和焊接。


蘇州市立維創展科持享有SOUTHWEST東南徽波大地方產品設備型號帶來了現貨交易產品設備,并幫忙帶來了科技適配與售后維修服務于服務于。
商品詳情頁要了解SOUTHWEST東南紅外光請單擊://www.zb5858.cn/brand/7.html