企業信息資訊
發布公告日期:2024-04-28 09:08:40 看:849
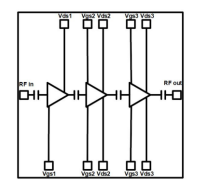
AMCOM的AM408041WN-00是一款寬帶GaN MMIC功率放大器,適用于3.75至8.25 GHz頻段。它具有33dB的增益和42 dBm的輸出功率,廣泛應用于儀器、商用電信傳輸設備和固定微波回程等領域。該產品的特性包括高增益、飽和輸出功率,以及輸入輸出直流阻塞匹配50歐姆。此外,該產品在有效工作范圍內達到27%的效率。該產品廣泛應用于通信領域,可滿足高頻段寬帶功率放大需求。

| Parameters | Minimum | Typical ** | Maximum |
| Frequency | 4-8 GHz | 3.75-8.25 GHz | |
| Small Signal Gain | 29dB | 33dB | |
| Gain Ripple | ±2dB | ±4.0dB | |
| P1dB | 35dBm | 38dBm | |
| Psat | 39dBm | 42dBm | |
| Psat Efficiency | 27% | ||
| Noise Fiqure | TBD (TBD | ||
| IP3 | TBD (TBD) | ||
| nput Return Loss | 10 dB | 15dB | |
| Output Return Loss | 5dB | ||
| Thermal Resistance | TBD |
東莞 立維創展是AMCOM效率變成器的代里銷售,主要銷售AMCOM的效率變成器,如:rf射頻尖晶石管、MMIC效率變成器、攪拌變成器版塊、光纖寬帶變成器、高效率變成器版塊、帶RF和DC無線接插件的高效率變成器版塊和低嗓聲變成器,效率變成器,旋鈕,衰減器,移相器各類上/后面變頻器的個人定制,熱情接待質詢。