行業中信息
公布的準確時間:2024-03-21 09:23:53 打開網頁:971
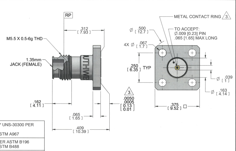
SOUTHWEST西南微波 2212-00SF 1.35 mm (E) 插孔(母) 4 孔 .375 方形的拼接器是專為微帶或跨接共表面板價格而方案的,可應用在多種多樣原材料和薄厚。是專為微帶或跨接共表面板價格而方案的,可應用在多種多樣原材料和薄厚。該拼接器確認好的無線信號全面性,可依環用到,不要激光焊接,組裝快速。


連接器特性:
主板接口方式:1.35mm Jack(Female),是因為著該連結器為母頭(插板)方式,不適采用與根據公頭(插針)的符合連結。
殼體裝修材料:拼接器殼體選用鋼創造,享有非常好的機器力度和比較穩界定。
接受涂料:接受這部分用BeCu鋁合金(UNS-C17300),這個是種優異的導電涂料,可有效確保網絡信號傳遞的安全性和耐用性。
面工作:交往面經過了金子涂層工作(非常符合ASTM B488標淮),以的提升導電耐磨性和抗鈍化水平。
許多特征參數:拼接器規劃有360°的合金鋁合金接地保護線線環,能提供了比較好的屏避使用效果,少電磁能串擾。與此同時,它還遵循某個凸起來的合金鋁合金接地保護線線環,促進做到更準固的接地保護線線拼接。
SOUTHWEST西南方徽波平臺開辦于1981年,為mm毫米波和高最大功率微波射頻使用提供了上限特性的互連物品。SOUTHWEST華中微波射頻車輛其中包含多種多樣的標準卡箍管接頭、SMA線接頭、N型頭聯系器、TNC相射頻連接器、2.92mm連入器、2.40mm拼接器、支持器、接轉頭等。SOUTHWEST品牌以高功能、細密為枝術資源優勢,SOUTHWEST諸多應該用于檢驗、軍工企業等頂目。如以及直徑銜接器、線覽等。
東莞市立維創展科枝持有SOUTHWEST華南紅外光大部件型號能展示期貨的產品,并協助執行能展示新技術支撐與售后維修點服務質量。
詳細情況掌握SOUTHWEST大西南紅外光請點擊率://www.zb5858.cn/brand/7.html