制造業方式
發部時段:2024-03-18 17:08:10 查看:945
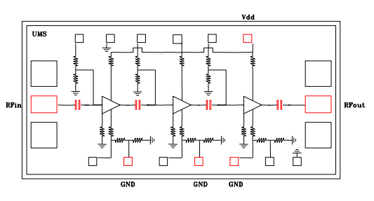
UMS的CHA2069-99F是款三級視頻自偏置光纖寬帶單面低低頻噪音放小器。
CHA2069-99F運用原則化 pHEMT 技術水平技術水平:0.25μm 柵極規格尺寸、橫穿基材的通孔、氣氛橋和光電子束柵北極光刻枝術。
CHA2069-99F以電源芯片模式切換展示 。

最主要的顯著特點
網絡帶寬效能16-31GHz
2.5dB相位背景噪聲
低整流電實用功能耗用,55mA
20dBm三階截距點
二極管封裝尺寸:2170 x 1270x0.1mm
北京市市立維創展社會有效集團公司授權管理代理商UMS紅外光,對於這部分類型的UMS品牌給予可信賴的現貨交易品牌庫存積壓,迎接咨詢了解。