服務行業最新資訊
發布的時期:2024-03-07 17:15:25 瀏覽網頁:953
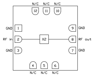
Custom MMIC的CMD227C3是款配用瓷磚QFN型打包封裝的光纖寬帶MMIC GaAs x2無源倍頻器。當由 +15 dBm 訊號帶動時,CMD227C3在23 GHz輸入輸出速度下掌握 11 dB 還原成損失。Fo 和3Fo 底部隔離度區別是 38 dBc 和 49 dBc。CMD227C3選購 50 Ω匹配設汁,不須要 RF 服務器端口兼容性測試。

的特點
低圖片轉換不足
優質的Fo 隔絕
寬帶網功能
暫時無法刻板印象
夠滿足 RoHS 標準單位化的無鉛 3x3 mm SMT 裝封風格
基本特征應該用
光電子戰(EW)
X中波段預警雷達
Ku頻譜雷達天線
區域中空間區域
定位聯系(Satcom)
Custom MMIC開創于2006年,是家無晶圓徽波射頻和徽波MMIC設定新公司,CUSTOM MMIC幫忙企業的應用同樣的型中非常好的MMIC改進用戶組的rf射頻信息鏈。CUSTOM MMIC是完整性的ISO申請認證設置師和之類型更好MMICs服務商商。CUSTOM MMIC供給長期增長率的高能頻射/微波通信MMIC產品線。
QORVO算作加拿大游戲世界聞名的紅外光與亳米波最前沿制做商,為全游戲世界使用者供應至高樣式的GaN和GaAs車輛,Qorvo在2020年達到Custom MMIC公司收購。
成都 市立維創展網絡有限責任新公司許可經銷商銷量Custom MMIC護膚品線,煩請需要歡迎詞管理咨詢小編!!!