服務業資訊、短視頻軟件
推送耗時:2018-06-06 10:47:01 瀏覽器:8353
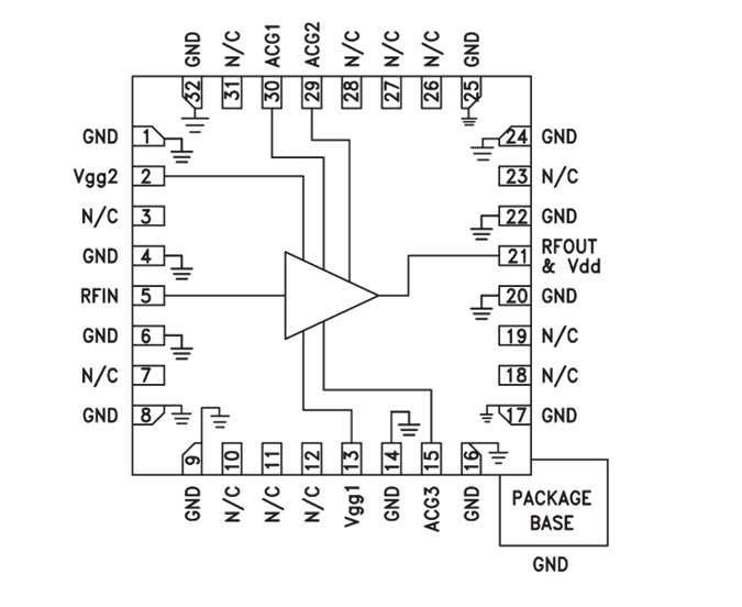
HMC797APM5E有的是款GaAs MMIC pHEMT規劃式工率調大器,辦公平率空間為DC至22 GHz。該調大器可以提供13.5 dB收獲、39 dBm內容傳輸IP3和+28 dBm內容傳輸工率(1 dB收獲縮小),耗電量為400 mA(進行+10 V外接電源)。該多作用PA在4至20 GHz空間內存在正收獲斜率,故而十分滿足EW、ECM、聲納和各種測試專用設備軟件應用。HMC797APM5E調大器I/O組織結構配對至50 Ω,更方便智能家居控制到多基帶芯片控制模塊(MCM)中,進行無引腳QFN 5×5 mm表貼二極管封裝,不用辦理對外部配對零件。
| 品牌 | 型號 | 描述 | 貨期 | 庫存 |
| ADI |
HMC797APM5E HMC797APM5ETR |
GaAs pHEMT MMIC 1 W功率放大器,DC - 22 GHz | 現貨 | 55 |
廣泛應用
HMC797APM5E優勢和特點
HMC797APM5E結構圖
