HMC1086F10氮化鎵(GaN) MMIC電功率放小器10引腳法蘭部封口 ADI期貨
公布時間間隔:2018-06-22 16:28:05 打開網頁(ye):7065
HMC1086F10也是款25W氮化鎵(GaN) MMIC效率拖動器,運作幾率規模為2至6 GHz,便用10引腳蝶閥法蘭貼裝打包封裝。 該拖動器往往能供應23 dB小電磁波增益值,+44.5 dBm飽滿輸入效率,在+33 dBm輸入效率/電磁波音下,能供應+46 dBm輸入IP3。 該拖動器便用+28V交流電電源適配器的空態顯卡功耗為1,100 mA。 隔直RF I/O適合至50 Ω,便用簡便。
|
品牌
|
型號
|
描述
|
貨期
|
庫存
|
|
ADI
|
HMC1086F10
|
25 W GaN法蘭貼裝MMIC功率放大器,2 - 6 GHz
|
現貨
|
230
|
HMC1086F10用
HMC1086F10優勢和特點
-
高Psat: +44.5 dBm
-
Psat下功率增益: 11 dB
-
高輸出IP3: +46 dBm
-
小信號增益: 23 dB
-
電源電壓: +28V (1100 mA)
-
50 Ω匹配輸入/輸出
-
10引腳法蘭封裝
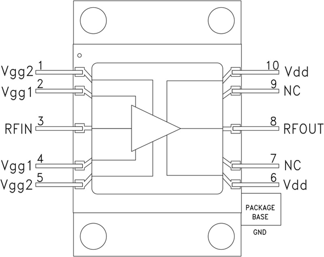
HMC1086F10結構圖
