HMC7885FH18單單片機芯片紅外光集成化電線(MMIC)效率縮放器(PA)信息模塊 ADI現貨黃金代辦商
上傳的時間:2018-06-19 16:42:54 查詢:2501
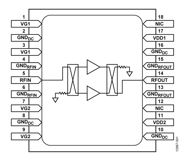
HMC7885FH18是一種款32 W氮化鎵(GaN)、單IC芯片微波加熱結合電線(MMIC)功效調大器(PA)控制控制模塊,事情聲音頻率便用范圍為2 GHz至6 GHz,保證18引腳封口控制控制模塊裝封。該調大器一般 保證21 dB小4g信號增加收益和45 dBm過飽和微波射頻(RF)效果功效。該調大器用28 V直流開關電源適配器電源適配器的空態顯卡功耗(IDD)為2200 mA。隔直RF復制粘貼和效果連接至50 ?,便用快捷。
|
品牌
|
型號
|
描述
|
貨期
|
庫存
|
|
ADI
|
HMC7885FH18
|
2 GHz至6 GHz,45 dBm功率放大器
|
現貨
|
78
|
HMC7885FH18應用
-
測試與測量設備
-
通信
-
電子戰(EW)
-
軍事
-
行波管(TWT)替換產品
-
SATCOM
HMC7885FH18優勢和特點
-
2 GHz至6 GHz
-
小信號增益:21 dB(典型值)
-
飽和RF輸出功率:45 dBm(典型值,POUT)
-
18引腳、密封模塊
-
工作溫度范圍為-30°C至+60°C
HMC7885FH18結構圖
