服務業快訊
發布消息時光:2025-08-15 16:33:38 訪問 :34
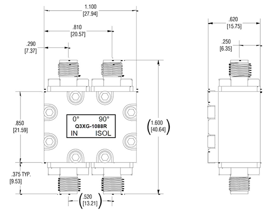
Q3XG-1088R-SMA是荷蘭Electro-Photonics面世的1款 90°、3 dB 外壁貼裝(SMT)相混藕合器,也叫正交藕合器。Q3XG-1088R-SMA常用SMA母頭同軸連到器打包封裝,合適用在通訊技術信號塔音箱、同軸電纜波束演變成網絡信息、MRI 微波射頻時延并且以及測式機系統,同樣提供數據 RoHS/REACH 安全、無磁化型號。
最主要的顯著特點:
?幀率依據:960 – 1215 MHz,包含L光波及一些Sk線
?串口類型:SMA 母頭(銜接器型)
?電功率存儲容量:對數正態分布 85 W(接連器型);若使用外面貼裝裸片型號比較高達到 175 W
?添加損耗量:舉例 0.28 dB(連入器型),或 0.12 dB(面貼裝裸片)
?消毒度:≥ 26 – 27 dB
?駐波比:≤ 1.2:1
?相位平衡量:±2°
?封口寸尺:相防水連接器型略大;界面貼裝裸片僅 0.560 × 0.350 寸大
?應用軟件:熱效率都分配好/自動合成、定向天線波束型成、頻射縮放器、測試測試與衡量等
?符合標準 RoHS、REACH 標,非磁塊,可操作于 MRI 工作環境

能力形態
非帶磁定制:適用于用在 MRI(磁震蕩顯像)等對磁塊比較敏感的醫用不銹鋼機,防止交變電場電磁波輻射。
CTE 配適:熱脹大標準值與電子元件板的材料配適,抑制溫度表起伏造成的的地應力,增加維持性。
單單從表面外理:標準的浸錫制作工藝技木,可按照標準供應生物鎳浸金(ENIG),增強不銹鋼焊接不穩性。
卷裝選擇:兼容卷帶封裝類型,優勢于智力化生產加工。
分析報告板兼容:供應分析報告板(款式 722-0006-03-E01),增進服務各種測試與結合。
操作領域
無線wifi數據通信產品:
?額定功率變大器分解成與隔離霜:在電力信號塔、直放站等機器設備中,將多路后級功放傳輸分解成,從而提高系統性直線度并克制反射強度。
?數據信息監測與監察:從主數據信息路徑名中耦合電路環節數據信息應用于監察,確保安全軟件系統高效益自動運行。
機載統計:
?外置同軸電纜波束出現:可以通過有目的控住的信號相位與上升時間,達成外置同軸電纜陣列的波束掃描儀掃描與定項。
通信衛星通信設備:
?頻率轉變成與電磁波管理:在低的噪音拖動器(LNA)、上調頻器等方案中,滿足表現的高效化加工處理。
醫療器械裝置:
? MRI 裝置:非磁塊制作做到醫療器械機器設備對電磁波兼容的嚴謹維護。
Electro-Photonics收獲25年的真實傷害rf射頻構件設計的概念與生產加工生產經驗,服務涉及混合式和定向委培合體器、功分器、濾波器、測試板、防護器、環行器等服務。珠海市立維創展社會有局限我司加盟代理分銷系統Electro-Photonics物料。如果必須 Electro-Photonics微波射頻,喜歡詳詢。