職業信息資訊
發布信息期限:2025-08-14 16:46:23 看:34
在電商儀器構思環節中,電操控器的選擇型號對物料的安全性能表演、人工成本操控或供給鏈的穩定性高靠得住起著至關極為重要的的功效。TI(滄州測試儀器)旗幟下的PTH12060WAD當做行行業內的傳統好產品,雖頗受好評,卻也遭遇著時代國際供應信息鏈不安穩、直接費用居高出不來等考驗。不同之處而下,產的Leadway產品制定的LWH12060WAD,其所很棒的性能方面參數值和鄉土化分娩的勝機,稱得上了效率高充當PTH12060WAD的完美挑選。
耐熱性指標進行對比:中心耐熱性全面性升階
運作 | LWH12060WAD(Leadway) | PTH12060WAD(TI) |
鍵盤輸入工作電壓範圍 | 10.8V~13.2V | 10.8V~13.2V |
傷害線電壓面積 | 1.2V~5.5V | 1.2V~5.5V |
傷害直流電壓 | 10A(維持) | 10A(維持) |
成功率 | 94% | 88%-95%(舉例值92%) |
業務熱度 | –40 °C ~ +108 °C | –40 °C ~ +85 °C |
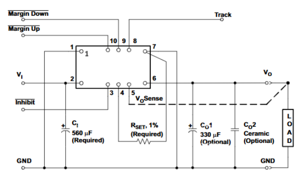
封口尺寸圖 | 10-DIP,25.4mm×15.7mm×8.9mm | 10-DIP,25.4mm×15.7mm×8.9mm |
引腳定議 | 規范標準 POLA/TI 引腳 | 標準化 POLA/TI 引腳 |
首要的性能的提升:平均溫度、功用與牢靠性
1.事業的溫度空間初始化
LWH12060WAD:-40℃~+108℃(位置文件表示-40℃~+125℃)
PTH12060WAD:-40℃~+85℃
優劣勢:LWH12060WAD可以更大溫室內環境,適用人群于產業半智能化以及自動化、室內光纖通信系統等非常場境。
2.最新直流電壓自動調節與字段操控
LWH12060WAD新增的各式各樣工作電流值調高職能,可實時公交死機過載變化無常,杜絕工作電流值下降引發的程序怒火。
結合回文序列調整的功能,支撐多功能模塊信息化上電/關閉24v電源時序標準化管理,要學會簡化24v電源結構設計,提高外置邏輯思維線路。
優越性:改善平臺動態的運行力量,減低設計構思簡化度與成本投入。
3.電阻值裕度調接與程序語言音頻接口
LWH12060WAD兼容±10%電流裕度可以調節,可實現I2C接口方式程序編程,利索更換不一樣阻抗需要。
PTH12060WAD僅蘋果支持來源于設定,遲鈍性欠佳。
競爭優勢:LWH12060WAD更順應現當代化智能化機對電原安全管理的用心化規范。
4.電滋兼容與認真
LWH12060WAD利用EN60950-1最新版v認證,電磁振動器兼容模式提高20dB,避免對相關線路的打擾。
的優勢:無法嚴格要求的化工與流量原則,升降系統的整體結構是真的嗎性。

兼容性問題與成本費其優勢:無縫隙改用,降本增強藥效
1.引腳兼容與PCB復用技術
LWH12060WAD應用標準規范化引腳判定,與PTH12060WAD引腳完成兼容,不能自己修飾PCB格局,直接性編輯就能。
主要優勢:不但縮減產品開發時間段,減輕更換投資成本。
2.供貨鏈與成本價提升
LWH12060WAD的市場庫存量充實,原機交貨從12周延長至4周,逃避缺貨風險存在。
自動采購管理利潤變低15%,輸出模塊期限生長期延長時間至10年,拉低長久的維護生產成本。
特點:改善批售鏈平穩性,縮減融合成本低。
用途情境自適應性
工業生產自動的化:LWH12060WAD的寬溫區域(-40℃~+108℃)與有的效率(94%),使使用在減速機驅動包、感應器器電力等場面,以減少溫度上升對機械設備的導致。
網絡通信設施設備:在5G移動基站中,LWH12060WAD的技術性輸出功率調準能力可網站優化rf射頻最前端濾波,篩選高頻電路系統阻抗匹配,縮短訊號偏色。
提供服務器ip與的云數據中心站:為CPU/GPU出示平衡感應電流,低DCR(交流電電容)削減低熱,提高了耗能,支持系統高瞬態反映需求分析。
武漢市立維創展科技產業有效總部獲得20年電子元配件元配件技能積攢,專業化的護膚品產品設計開發和品質專業團體,造成Leadway24v電源模組好廠品的。以系統研發為價值體系,做最適用于領域供需的好廠品的技術參數。好廠品的對比美系、日韓風,保持pin &pin重命名如必須 什么枝術幫助,或食品了解,歡迎辭了解。