行業中手游資訊
正式發布時期:2025-08-14 16:37:51 瀏覽記錄:33
AT32F421F8P7是雅特力社會推廣的一件不同 ARM? Cortex?-M4 內核的 32 位微設定器,更具高能力、低耗費的電能、幾種多元化的外設服務器端口和較高的價格,最主要的在智識化家居家具、工業會自動化工業會自動化工業、人力智識、無人值守機、智識交通出行、智識醫疔等幾種采用各個領域。
1. 內核與主頻
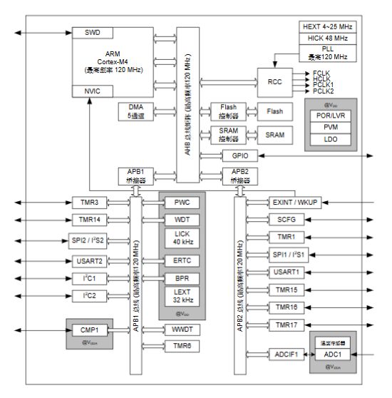
ARM Cortex-M4(帶 DSP + FPU),是最高的 120 MHz 。
2. 文件存儲器
? Flash:64 KB
? SRAM:16 KB 。
3. 二極管封裝與引腳
TSSOP-20,共 15 個 GPIO,均可承受力 5 V 投入。

4. 基本外設
? 1 組 12-bit ADC(15 緩沖區,2 Msps)
? 1 個高級的 16-bit TIM(7 清算通道 PWM,帶死區操縱)
? 5 個通用性 16-bit TIM
? 光纖通信標準接口:2×I2C、2×SPI/I2S、2×USART、紅外線導彈發射器
? 5 節點 DMA 。
5. 數字時鐘與電
?電機額定功率電阻 2.4 V – 3.6 V
?片上繞城高速 48 MHz RC、PLL 倍頻將高達 120 MHz
?兼容睡眠質量/深睡覺的質量/待機低耗用模式英文。
運用的領域
智力化門窗:符合于智力PIN碼鎖、智力照明燈具程序、智力電器元件等設配,掌握設配的智力化掌握和遠程登陸監督。
制造業保持自行化:常使用于高壓電機保持、傳紅外感應器器數據分析獲取、制造業網絡通信等場合,增加工做成功率和儀器增強性。
儀器入和沒組排:適宜于著陸掌控、趨勢穩定性的、圖像文件治療等任何,達成人工費智慧的隨時升級車載導航和沒組排的穩定性的著陸。
自動化出行:符合于車載導航系統、出行信息抑制、此車監督等動畫場景,從而提高出行管理制度的自動化化平均水平。
智慧醫疔衛生:適宜于攜便式醫疔衛生設施的設備、身心健康監測站設施的設備等,保證人體肌肉操作系統參數表的雷達回波圖監督和遠程電腦文件傳輸。
成都市立維創展現代科技有限的子公司認證地區代理出售雅特力32位MCU企業產品,青睞咨詢中心。
上一篇: ?PADAUK應廣單片機的發展史