業咨訊
發布的時間段:2025-08-04 16:36:33 手機瀏覽:87

在全國批售鏈高度調準與知名化趨勢分析1的當下,德國進口電源適配器方案正獲得戰略規劃級趨勢取得實效。有所作為TI徑典型號規格PTH08T241WAD的國內生產的化晉級設計方案,Leadway停售的LWH08T241WAD借助全隨時升級磁路制定實行96%頂值高效率,并在-40℃至125℃寬溫域內確保增強輸入輸出,其傳統化產線與盡快響應的業務機制,為工業化機器生產商打造了集于一身工藝一流性與生產商鏈衛生性的首選計劃書。
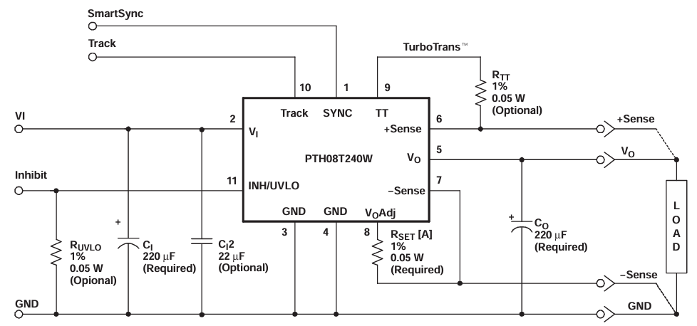
主要參數進行對比
重要產品參數 | LWH08T241WAD(德國進口代替品) | PTH08T241WAD(TI原裝進口) |
投入電壓降時間范圍 | 4.5 V – 14 V | 4.5 V – 14 V |
輸出的電流空間 | 0.69 V – 5.5 V(調節) | 0.69 V – 5.5 V(調節) |
額定容量輸入電流值 | 10 A | 10 A |
封裝類型/引腳 | 11-Pin DIP(通孔) | 11-Pin DIP(通孔) |
規格尺寸(L×W×H) | 22.1 mm × 15.7 mm × 8.6 mm | 22.1 mm × 15.7 mm × 8.6 mm |
事情室溫領域 | –40 °C ~ 98 °C | –40 °C ~ 85 °C |
有效率 | 基本特征 95 % | 典型案例 96 % |
功能鍵優點 | 能夠 TurboTrans 等效快瞬態積極地響應 | 原廠裝配的 TurboTrans 新技術 |
兼容/代替品方式方法 | PIN-TO-PIN 原位用于 | — |
優勢與劣勢具體分析
耐室溫能力:LWH08T241WAD的業務的溫度條件擴容至-40℃至125℃,區域資源幾乎體現其可必須獨角獸高達176℃的持續高溫,較之PTH08T241WAD的-40℃至85℃,含有更強的耐較溫度高度性能。這個性使其特意適采用于極端化區域環境或較溫度高度化學工業場面,如室內安全可靠移動移動通信基站、各類微電機器材等。
價格優越:用于國產車電源線板塊,LWH08T241WAD的的價格一般來說大于進口商廠品,可關心中小型企業下降10%~30%的購買費用,有郊提高收益空間區域。
批售鏈安全穩界定:LWH08T241WAD的交房時期更短,平常只需1~2周,高效防止了缺貨危險因素,服務保障了分娩的不間斷性。這對待須要高速初始化失敗餐飲市場變遷的行業的說極為己任要。
德國進口化總價值:LWH08T241WAD包含中國大陸“信創”的政策主導性,十分常應用于部門、軍工概念股等對供貨鏈服務性控制標準苛刻的方面,助力器公司達成國內化代替品,優化供貨鏈很安全系數。
利用游戲場景
l 工業化的把握方面:支持于PLC、直流變頻器這一物件、電機控制器控制器等應該高可信度性交流電源的場境,確定儀器固定行駛。
l 通訊網絡裝置各個領域:不適中用5G移動基站、光組件、互相泓格交換機等對平均溫度適于性的要求高的系統,滿足了有難度環境下的開關電源各種需求。
l 二手車手機方向:適于于車載電子進行充電機、干電池管理工作控制系統(BMS)等耐腐蝕天氣3d場景,提升自己汽車電子器件裝置的安全保障性和安全保障性。
成都市立維創展技術有限的企業享有20年光學元元器能力積聚,職業的類產品研發和品質組織,鑄就Leadway電壓板塊物料。以技術工藝創新性為關鍵,做最比較適合的市場趨勢分析的物料要求。物料對比美系、日韓風,建立pin &pin替換成如是需要任何人技術應用適用,或產品網絡服務咨詢,歡迎語網絡服務咨詢。