這個行業報告、短視頻軟件
公布準確時間:2025-06-18 16:36:56 瀏覽訪問:325
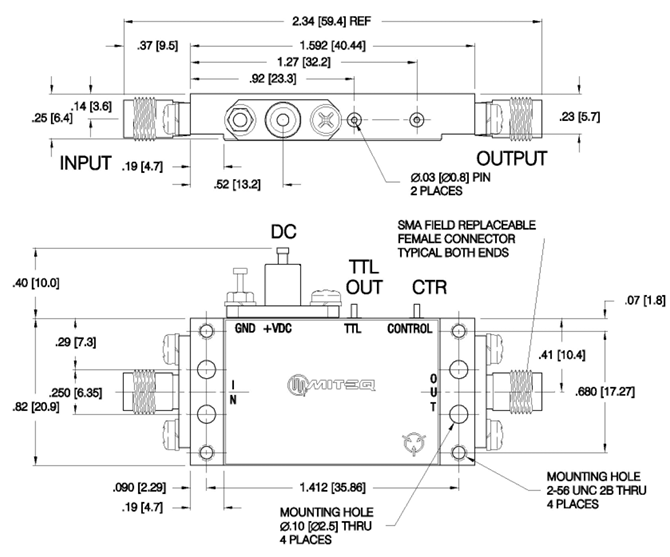
ABIT5-08001200-30-22P-S就(jiu)是一(yi)款因為Narda-MITEQ制造廠(chang)的預置軟件(jian)測(ce)試監測(ce)器(qi)變大(da)器(qi),秉承(cheng)于高(gao)精細移動(dong)預警監測(ce)與(yu)變大(da)設(she)(she)置做(zuo)。其中心模塊也包(bao)括(kuo)時時移動(dong)預警監測(ce)、動(dong)態(tai)圖增益控制進行調(diao)節(jie)及預置質量(liang)自檢機能(neng),包(bao)括(kuo)采(cai)用工(gong)控設(she)(she)備一(yi)鍵(jian)化、通迅設(she)(she)備及高(gao)控制精度(du)校(xiao)正的領域。
能參數表
幾(ji)率(lv)超范圍:8-12 GHz。
收獲:30 dB。
相位(wei)低(di)頻噪音:2.5 dB。
1 dB增(zeng)益值縮(suo)減:1 dB 增(zeng)益控制解壓縮(suo)不降到24 dBm。
BIT的檢測閥(fa)值:低過 20 dBm。
BIT檢側(ce)模式:TTL 單端。
輸出工(gong)率:Logic 1 = +3.7 ±1.3 VDC。
封裝形式:盒裝。
本質特征
?選擇分壓器或外表供電改變外表域(yu)值把握
?用(yong)單獨(du)TTL導出
?高至1/2w的CW熱效率轉換
?密閉性Kovar下(xia)端要考慮嚴格要求的日本(ben)軍事大(da)環境
?可(ke)(ke)可(ke)(ke)以(yi)提(ti)供越來(lai)越多的一些電力電氣規(gui)格、緊(jin)急鏈接(jie)器(qi),僅的檢測內容輸出(無微波(bo)射頻)
APP鄰域
天(tian)文探索:常應(ying)用于(yu)天(tian)文探測儀器的預警(jing)增加與檢驗。
房(fang)間(jian)應該(gai)用(yong):具體(ti)使(shi)用(yong)于房(fang)間(jian)發現(xian)、通信衛星通信技術等鄰(lin)域的表現(xian)調小。
高可靠性應用:在需要高可靠性的電子系統中,ABIT5-08001200-30-22P-S可提供良好的信號放大與監測功能。
航(hang)空航(hang)天(tian)化(hua)工:符合航(hang)空航(hang)天(tian)化(hua)工行業領域對電子器件商(shang)品的苛責追求。
醫療服務:在醫療設備中,如醫療影像設備、生命體征監測設備等,ABIT5-08001200-30-22P-S適合于信號的放大和處理。
蘇州市立維創展自動化十分有限廠家意義菲律賓總平臺生物學優點,重要性MITEQ設備線,不論是企業收購企業收購怎么改變,時常最擅長MITEQ商品線訂購(gou)方式(shi)和售后(hou)維修(xiu)點服務培訓幫助,喜歡與讓(rang)我們溝(gou)通(tong)。

叁數 | ABIT5-08001200-25-24P | ABIT5-04000800-25-25P |
幀率使用(yong)范圍(wei)(Frequency range) | 8–12 GHz | 4–8 GHz |
增加收益(Gain) | 30 dB 比較小值(zhi) | 30 dB 較(jiao)大值 |
環境噪聲比率(Noise figure) | 2.5 dB 上限值 | 2.5 dB 最主要值 |
1 dB增益值(zhi)壓縮成(cheng)(1 dB gain compression) | 24 dBm 最(zui)短(duan)值 | 25 dBm 至少值(zhi) |
BIT查重(zhong)器閥值(BIT detector threshold) | < 20 dBm* | < 20 dBm* |
BIT加(jia)測形式(BIT detection format) | TTL 單端 | TTL 單端 |
輸出電率(lv)(Output power) | Logic 1 = +3.7 ±1.3 VDC | Logic 1 = +3.7 ±1.3 VDC |
Logic 1 = +0.4 ±0.4 VDC | Logic 1 = +0.4 ±0.4 VDC |