產業介紹
發布公告(gao)耗時:2025-06-11 16:31:27 挑選(xuan):375
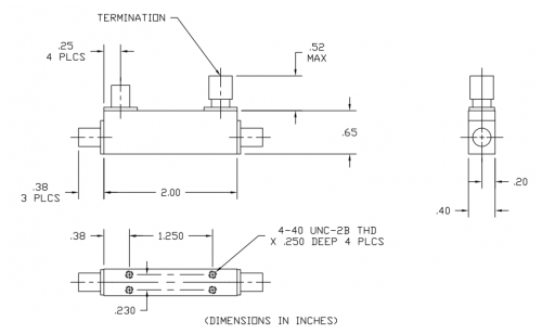
KRYTAR藕合器(qi)101040013/101040013K改(gai)善了需應用領域帶狀線(xian)構(gou)思的取舍,其使(shi)用單調化、主體(ti)工程攜便打包封裝(zhuang),在(zai)1.0至40.0GHz寬度頻崗位(wei)頻段具備著表(biao)(biao)現出色解(jie)耦效果。效果上,標稱解(jie)耦(對比一(yi)(yi)下于模擬輸出)13dB且震(zhen)蕩(dang)±1.0dB,幀(zhen)率靈敏性度±1.2dB;1 - 20GHz進(jin)到這(zhe)一(yi)(yi)領域材料耗費(fei)(含解(jie)耦電(dian)率)<1.1dB,20 - 40GHz<1.8dB;1 - 20GHz定位(wei)性>14dB,20 - 40GHz>10dB;1 - 20GHz更(geng)高VSWR(無數個網口)1.5,20 - 40GHz為1.7;額(e)定的鍵(jian)入電(dian)率對數正態(tai)分布20W、極限3kW。配有行業內原則(ze)2.4mm母頭連接方式器,二極管封裝(zhuang)技術參數2.0×0.40×0.654英(ying)寸,重1.3oz,基本操作溫度表(biao)(biao)-54°至+85°C,是(shi)超高帶高穩定性(xing)的第一選擇。

型號
更低概率(GHz):1
上限次數(GHz):40
標(biao)稱(cheng)軸承座:13 ±1.0
速度靈活度(dB):±1.20
插入(ru)圖損失(dB Max):1-20 GHz,1.1;20-40 GHz,1.80
方問性(dB Min):1-20 GHz,14;20-40 GHz,10
VSWR(比較高值):1-20 GHz,1.5;20-40 GHz,1.70
特殊電功率(lv)(W):20
101040013 標聯(lian)系器(母頭):2.4 mm
101040013K標準單位連結器(母頭(tou)):2.92 mm
上海市立維創展科學技術代理加盟權代理加盟KRYTAR品(pin)(pin)牌,區(qu)域機型常備現貨交易。品(pin)(pin)牌原版國外,性能(neng)確保,感謝(xie)管(guan)理咨詢。