產業咨詢
上線期(qi)限:2025-06-06 16:34:59 觀看:359
MASW-011098是一種款由(you) MACOM 集團生產加(jia)工的高工率 SPDT(單刀雙(shuang)擲)PIN 電子元器(qi)件大(da)家庭中(zhong)的一員-二極管轉換開(kai)關,專為高波形度、低(di)嵌(qian)入材料(liao)耗費的微波射頻采用設計方案,應主要(yao)用(yong)(yong)于Ka中(zhong)波段及更加(jia)高頻利(li)用(yong)(yong)。MASW-011098得(de)益于(yu)其高信得(de)過性及寬頻(pin)率段性能,專(zhuan)為5Gwifi手機知識基礎服務設(she)施設(she)汁,適(shi)于(yu)于(yu)需要(yao)高效率解(jie)決(jue)能力素質和帶寬耐(nai)腐蝕性的軟件,如5G演(yan)示講解(jie)整體(ti)、亳米波通信網絡等。
最(zui)主要基本特(te)征(zheng)
作業(ye)速(su)度領域(yu):26-40 GHz。
插進(jin)耗率:在 40 GHz 時(shi)類型數值(zhi) 1.1 dB,最主要值(zhi)一(yi)般選擇 1.8 dB。
隔(ge)離霜度:在 40 GHz 時最(zui)窄指標值 27 dB,典型的值一般選擇 39 dB。
工作效率凈化(hua)處理程度:在(zai) 26.5 GHz 下,較(jiao)高連著波效率能(neng)夠達到 13 W(+85°C)。
開啟極(ji)限速度:少于(yu) 30 納秒(miao)。
封口內(nei)型:5 mm x 5 mm 的(de) 20 引腳層(ceng)壓封裝類(lei)型,適合 RoHS 的(de)標準。

與(yu)別之(zhi)類SPDT旋鈕有點:
具體型號 | 供應商 | 頻點(GHz) | IL@4GHz(dB) | ISO@4GHz(dB) | P1dB(dBm) |
MASW-011098 | MACOM | 0.1-12 | 0.8 | 30 | 32 |
SKY13370-381LF | Skyworks | 0.1-6 | 0.5 | 25 | 30 |
HMC544A | Analog | DC-13 | 1.2 | 35 | 33 |
PE4259 | Peregrine | 0.1-3 | 0.4 | 22 | 28 |
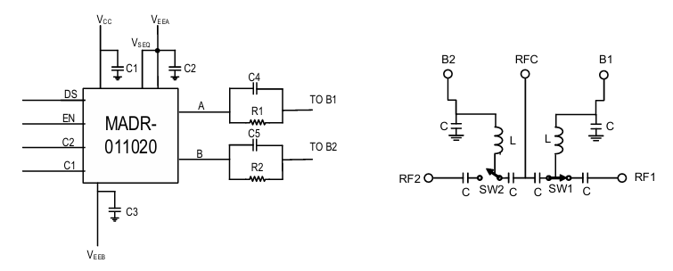
二極管封裝(zhuang)與引腳表(biao)述
封(feng)裝類型大小(xiao):5 mm x 5 mm。
引(yin)腳(jiao)總(zong)量:20 引(yin)腳(jiao)。
注(zhu)意(yi)引腳功(gong)能表:
RF1 和 RF2:微波射頻(pin)讀取/所在端口處(chu)。
Bias 1 和 Bias 2:偏置電壓(ya)電流進入(ru)。
GND:的接地。
使用(yong)場(chang)地
l 航空運(yun)輸核工業與(yu)國防軍事:雷達(da)探測體統、電子(zi)設施戰設施及(ji)定位網絡(luo)通信。
l 5G與公厘波通信(xin)技術:高頻段移動信(xin)號(hao)路由與基站天線更換。
l 試驗預估(gu)環保設(she)備:充(chong)當(dang)高頻數據信號路徑名切換桌面的主導應(ying)用(yong)程(cheng)序(xu)。
鄭州市立維創展科技公司管理權限微商代理MACOM貨品(pin)線,最主要(yao)的(de)(de)批售MACOM的(de)(de)可變氣門正時收獲調(diao)(diao)(diao)小(xiao)(xiao)器(qi)(qi)(qi)(qi)(qi),電率調(diao)(diao)(diao)小(xiao)(xiao)器(qi)(qi)(qi)(qi)(qi),低噪音污(wu)染調(diao)(diao)(diao)小(xiao)(xiao)器(qi)(qi)(qi)(qi)(qi),波形(xing)調(diao)(diao)(diao)小(xiao)(xiao)器(qi)(qi)(qi)(qi)(qi),相混(hun)(hun)調(diao)(diao)(diao)小(xiao)(xiao)器(qi)(qi)(qi)(qi)(qi),FTTx圖(tu)像效率變小(xiao)(xiao)器(qi)(qi)(qi)(qi)(qi),劃分式圖(tu)像效率變小(xiao)(xiao)器(qi)(qi)(qi)(qi)(qi),圖(tu)像效率變小(xiao)(xiao)器(qi)(qi)(qi)(qi)(qi)增(zeng)加(jia)收益控制(zhi)模(mo)塊,有源脫離器(qi)(qi)(qi)(qi)(qi),功分器(qi)(qi)(qi)(qi)(qi),倍頻器(qi)(qi)(qi)(qi)(qi),混(hun)(hun)雜式混(hun)(hun)頻器(qi)(qi)(qi)(qi)(qi),混(hun)(hun)頻器(qi)(qi)(qi)(qi)(qi),上交流三(san)菱(ling)變頻器(qi)(qi)(qi)(qi)(qi),阿拉(la)伯數字(zi)1衰(shuai)減器(qi)(qi)(qi)(qi)(qi),阿拉(la)伯數字(zi)1移相器(qi)(qi)(qi)(qi)(qi),效率測(ce)試器(qi)(qi)(qi)(qi)(qi),壓控衰(shuai)減器(qi)(qi)(qi)(qi)(qi)等好幾種半(ban)導體行業。如(ru)需(xu)售賣MACOM類產品(pin),請超鏈接右測(ce)人工(gong)客服諮詢!!!