業資訊、短視頻軟件
上傳(chuan)期限:2025-06-05 16:46:19 觀看:304
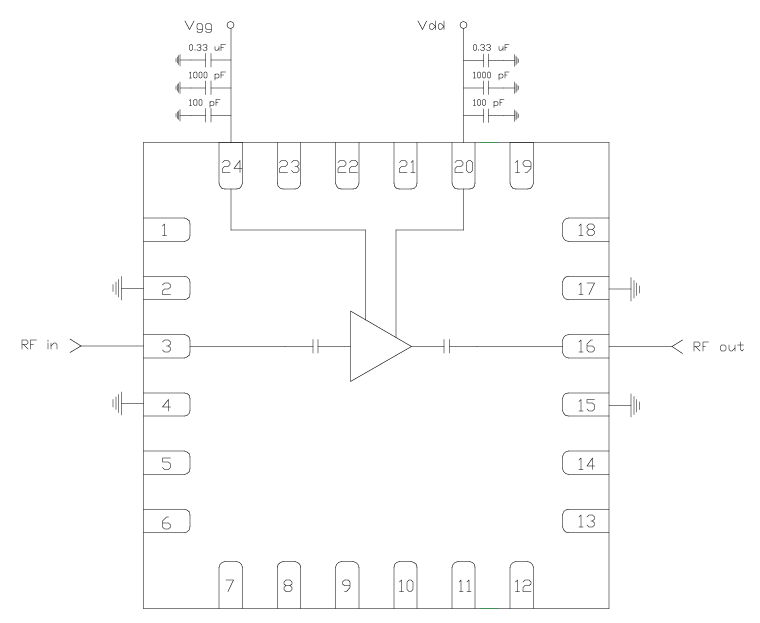
CMD229P4也是款由Custom MMIC產量的光纖寬帶(dai)砷化(hua)鎵(GaAs)單支紅外(wai)光集成型電路設(she)計(MMIC)低嗓(sang)聲縮放(fang)器(LNA),專為微波射頻(RF)采(cai)用開發,兼有優異的(de)(de)的(de)(de)低頻噪音使用性能和增加收益(yi)的(de)(de)特點。CMD229P4進行無引腳(jiao) 4x4 mm 泡沫(mo)塑料外(wai)觀(guan)貼裝(zhuang)(SMT)裝(zhuang)封(feng)。用(yong)其優秀的使用(yong)性能(neng)和微型化二極管封裝,成日本軍事、航空及(ji)舒適流量使用(yong)的夢想選取。
技術設備運(yun)作(zuo)
的(de)頻率面積(ji):5 GHz 至 11 GHz(C 波長(chang)和(he) X 波長(chang))。
增益控制(zhi):26 dB。
環境噪聲比率:1.5 dB。
輸出的 1 dB 降低點(dian)(P1dB):+13 dBm。
三階交調(diao)截點(dian)(OIP3):24 dBm。
是處于飽和狀態傷害電機功率(Psat):約 +15 dBm。
崗位直流電(dian)壓:3 V 至 5 V。
工作上電流(liu)大小:45 mA。
封口類形:4x4 mm 材料 QFN 二極管封裝。
特性阻抗相(xiang)配:50 歐姆切換(huan)設計(ji)的,必須外鏈交(jiao)流電堵賽和rf射頻網絡端口切換(huan)

廣(guang)泛應用情況
l 軍事(shi)戰爭(zheng)與航空工業:適用智能(neng)電(dian)子戰(EW)、C光波汽車(che)雷(lei)(lei)達(da)(da)、Xk線(xian)汽車(che)雷(lei)(lei)達(da)(da)等,做到高可信性、低(di)低(di)頻噪音各(ge)種(zhong)需求。
l 衛星信號通(tong)信網絡:適用范圍于(yu)服務器小行星通訊網絡整體,可(ke)以支持高頻段(duan)的信(xin)號文件傳輸。
l 測評與估(gu)測:使用高頻率(lv)自測生產設備,切(qie)實(shi)保(bao)障數據信號量測的準確(que)的性(xing)。
l 相控(kong)陣系(xi)統化:是相控陣統(tong)計或通信設(she)備系(xi)統(tong)化的(de)的(de)關鍵(jian)模塊,提供數據(ju)高增(zeng)益(yi)控制、低的(de)噪音的(de)預警變大。
Custom MMIC推出于2006年,是家無晶圓rf射頻和微波通信MMIC規劃品牌,CUSTOM MMIC鼓勵公司企業選擇同樣的型中更好的MMICseo移動用戶的rf射頻信息鏈。CUSTOM MMIC是全版的ISO安全認證設置師和同一種型最合適MMICs制造商。CUSTOM MMIC保證連續的增加的高效果微波射頻/微波射頻MMIC類產品組合。
QORVO看作歐美(mei)聞名的(de)微波(bo)通信與亳(bo)米波(bo)領先于(yu)制作業商,為全天下(xia)訪客出示是(shi)最高的(de)型號規(gui)格的(de)GaN和GaAs車輛,Qorvo在2020年實現Custom MMIC收構。
成都市立維創展科學有限責任子(zi)公司授權(quan)證書一級代理業務員Custom MMIC廠品線(xian),如無的需求青睞咨訊(xun)大家!!!