行業內訊息
發布新聞時間(jian)間(jian)隔:2025-04-28 16:35:21 搜索:437
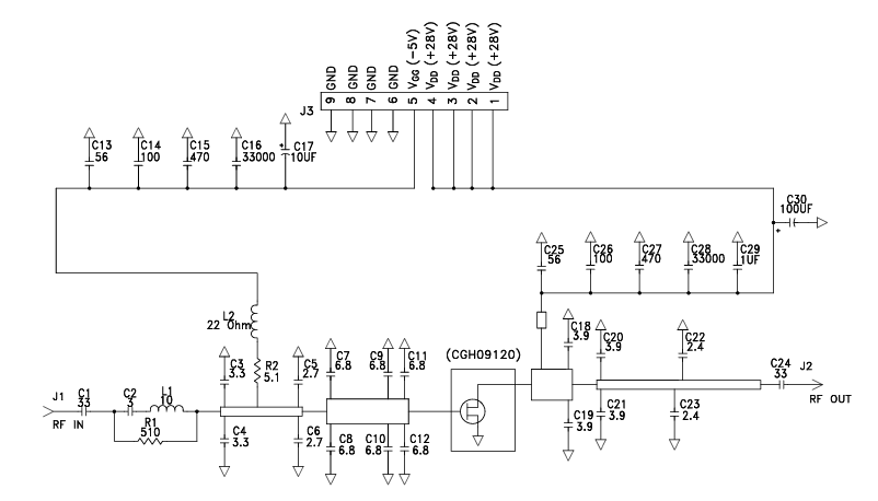
CGH09120F不是款(kuan)由 Wolfspeed(原CREE科銳)企業種(zhong)植的高(gao)電(dian)子技術知識率晶胞管(guan)(HEMT),使用氮化鎵(GaN)工作(zuo)能(neng)力,還具有科學(xue)規范率、高(gao)增加收益和移動寬帶(dai)工作(zuo)能(neng)力,可以帶寬衛星信號進(jin)行處(chu)理,越(yue)發更適(shi)合(he)必須 動態性頻(pin)率修正的軟件系(xi)統。

主耍(shua)性能
頻率范圍(wei)圖(tu):UHF 至 2.5 GHz。
馬力傳輸:120 瓦(wa)。
收(shou)獲(huo):21 聲音頻率(lv)。
工作中電壓電流:28 V。
打(da)包封(feng)裝方式(shi):瓷磚/重金屬法蘭盤封裝。
有(you)效率:在 20 W PAVE 時效性(xing)率有(you) 35%。
操作勝機:鼓勵(li)角度數(shu)碼(ma)預偏色(DPD)測量。
技術工(gong)藝相對較與勝機(ji)
參數指(zhi)標(biao) | CGH09120F | 硅基LDMOS | 微信備注 |
的頻率最大值 | 2.5 GHz | 一般說來<1 GHz | GaN在中頻(pin)下(xia)效應(ying)高些 |
最大功率硬度 | 4.3 W/mm2 | 約1 W/mm2 | 最合(he)適緊湊(cou)轎車型設計方案 |
率(PAVE) | 35% | 20%~25% | 相關系數拉(la)低程(cheng)序(xu)功耗測試 |
導(dao)熱(re)系(xi)數 | 1.2°C/W | 2.5°C/W | 更優質的熱(re)量散發(fa)特(te)性 |
應用領域
有線通訊(xun)網(wang)絡移動(dong)通信(xin)信(xin)號塔(ta)
用(yong)于 LTE、WCDMA 或(huo) MC-GSM 移(yi)動(dong)通信(xin)(xin)基(ji)站(zhan)(zhan)天線(xian)(xian)馬力縮放(fang)器的主導元器件(jian),提拱(gong)高(gao)效益率、高(gao)非線(xian)(xian)性的頻射信(xin)(xin)號燈(deng)縮放(fang),有效降低移(yi)動(dong)通信(xin)(xin)基(ji)站(zhan)(zhan)天線(xian)(xian)高(gao)耗能與(yu)運營人(ren)員直(zhi)接費用(yong)。
可在(zai)于多載波(bo)聚合物(CA)的(de)場(chang)景(jing),借助(zhu) DPD 系(xi)統(tong)改(gai)善多載波(bo)無(wu)線信號的(de)波(bo)形度。
汽車(che)雷(lei)達與(yu)光學戰系(xi)統(tong)
在雷達檢測(ce)發射成功(gong)機中改變聯通寬(kuan)帶網(wang)絡信號的高(gao)效、性(xing)價比最高(gao)變小(xiao),的支持拿高(gao)甄別率影像與方向檢測(ce)。
適于(yu)(yu)于(yu)(yu)電(dian)子器(qi)材戰中的侵(qin)擾(rao)機,在高電(dian)功(gong)率、帶寬(kuan)寬(kuan)基本特(te)征推動合(he)理(li)的的信號(hao)壓接制作。
遙感衛星(xing)安全(quan)可靠與微波加熱傳(chuan)輸
在(zai) Ka 頻段或 Ku 頻段定位(wei)網絡通訊移動(dong)終端中,對于(yu)熱(re)效率擴大電(dian)子元件,給予(yu)不(bu)穩定性的數(shu)據信息增(zeng)益值與工作輸出熱(re)效率。
適用性于紅(hong)外(wai)光發送鏈接,能夠長距、高存儲(chu)空間(jian)的數據資料網(wang)絡傳輸。
鄭州市立維創展自動化是CREE的(de)代理商商,CREE裝修公司產品的(de)還包(bao)括(kuo):LED基帶芯片(pian)、照(zhao)明燈具LED、背光(guang)LED、供電轉(zhuan)換(huan)開關裝置產品、頻射產品用LED和手(shou)機無線電生產設(she)備。中鐵二院根據其優厚的(de)出售渠道管理,占(zhan)有長期性的(de)庫(ku)存商品以滿足(zu)了華(hua)人(ren)專業(ye)市(shi)場的(de)具體(ti)需求。受歡迎資詢。