制造行業新聞
推出時光:2025-04-21 16:58:16 搜素:374
ALN4250-12-3535mm波低燥音縮放器(LNA)是WENTEQ總部在mm波通訊技術域的決定性企業產品,豐富利用于5G/6G通信系統網絡、北斗衛星通信系統網絡、雷達天線系統等高頻場地。ALN4250-12-3535利用比較好的的半導體材料施工工藝(如GaAs、GaN)和精細化集成運放來設計,背景噪聲數值低至0.5dB,有效率促使系統噪音分貝,的提升衛星信號看不清楚度。WENTEQ Microwave的公分波低噪音風機源增加器靠著其枝術勝機、個性化力量和的成本利潤,在全球性賣場摧毀比較重要話語權。
優點:
從40.0到45.0GHz的低噪音、高增加收益操作步驟
低VSWR,無標準不穩定性
空間小,生產低廉
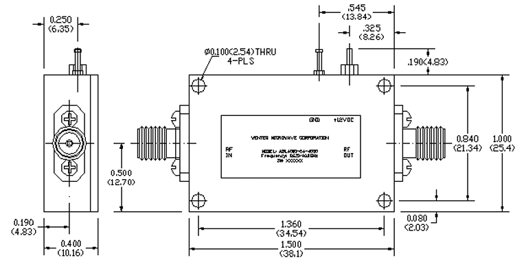
2.4mm女人連接方式器錄入/輸送
需用單整流電源適配器,內部設置有電壓值控制器
任務環境溫度-40~+75°C,儲存的溫度-55~+85°C
杭州市立維創展網絡是WENTEQ的供應商商,包括展示WENTEQ車輛例如弧形器、分隔器、裝載POS機等,車輛原裝機國外,品質以確保,成本的優勢,歡迎詞咨詢了解。

Parameters | Specifications | |||
Minimum | Typical | Maximum | ||
Frequency Range | GHz | 40.0 | 45.0 | |
Nominal Gain @25°C base plate temperature | dB | 31.0 | 35.0 | 38.0 |
Noise Figure | dB | 3.5 | 4.5 | |
P-1dB Compression Point | dBm | 15.0 | 16.0 | |
Output IP3 | dBm | 23.0 | 25.0 | |
Gain flatness | dB | +/-1.0 | +/-1.5 | |
Gain Variation over Temperature Range | dB | +/-1.5 | ||
Reverse Isolation | dB | 45.0 | ||
Input VSWR | - | 2.0:1 | 3.0:1 | |
Output VSWR | - | 2.0:1 | 3.0:1 | |
Spurious | dBc | 60.0 | ||
Operating Temperature | °C | -40.0 | +75.0 | |
Survival Temperature | °C | -45.0 | +85.0 | |
DC Power Supply Voltage | V | +12.0 | ||
DC Power Supply Current | mA | 250.0 | 300.0 | |
RF In/Out connectors | 2.4mm-Female | |||
DC Input Connector | Feedthru Pin | |||
Size | inches | |||