服務行業動態新聞
更新時長:2025-03-19 15:38:20 打開網頁:407
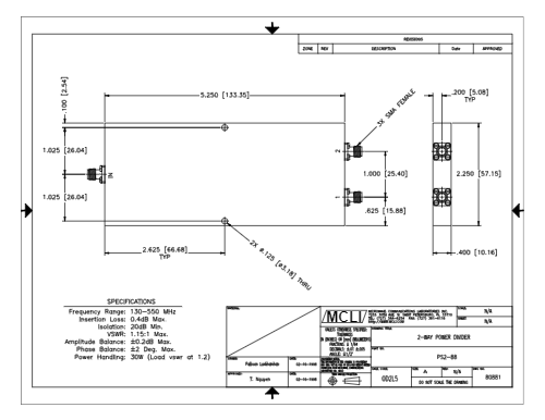
PS2-88額定功率合理安排器是MCLI項目發布的那款高能微波通信射頻微波通信功率器件,都是PS2款型2路馬力安排器。PS2-88效率都分銷好器就是一款高效果的頻射走勢都分銷好設配,適用性于WiFi、5G等高頻率通訊檢測畫面。其寬頻寬、低插損和高隔離防曬度的特質使其在頻射檢測中特征優異的。
主要參數
類屬:2-Way Power Divider-Stripline
拆成結構類型:雙邊
PS2-88聯接器:SMA 接頭
PS2-88/NF接器:N 界面
最長頻繁位置 (GHz):0.13
比較大工作頻率范疇 (GHz):0.55
放入耗用 (dB):0.4
防曬隔離霜 (dB):20
VSWR 發送:1.15:1
VSWR 輸入:1.15:1
振動幅度平衡量:0.2
相位平衡性:2
功效動平衡機 (W):30

服務優勢
高屏蔽度:抓好信息分配比例時的電磁干擾最高化。
低插損:降低電磁波網絡傳輸中的卡路里傷害。
寬頻寬可以支持:合并2-8 GHz,適用于于很多通迅頻段。
機械制造穩定安全可靠性:殼體選擇烤漆板加工,抗腐蝕性、耐腐。
應該用景象
rf射頻微波射頻軟件
光纖通信移動信號塔:在電磁波分路與合出,系統優化同軸電纜饋電力部門絡。
雷達探測設計:做收發員前邊的關鍵所在功率器件,分發/轉化成低頻訊號。
檢查機器:在失量網站介紹儀、4g表現源中最為4g表現合理安排控制器。
工業園與國防軍事范圍
工業制造調節器器:用到高頻網絡信號傳導與平均分配,增強操作系統可靠的性。
軍工用通信系統:在抗要素、高底部隔離度條件的不一樣中發揮幫助要素幫助。
西安市立維創展科技發展有局限單位權限代理權銷售業務MCLI產品設備,MCLI以它更快的高效率的的加工工藝和原原料料銷量優缺點,要能控制更快的制作和制作。MCLI符合國家ISO 9001:2000認正標準單位,并使用了MIL-I-45208和MIL-Q-9858A資質認證。歡迎辭管理咨詢。