制造行業信息資訊
發布消息的時間:2025-03-11 15:45:39 閱覽:508
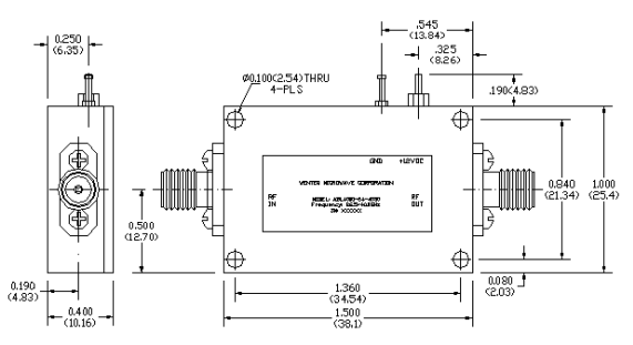
ALN4000-10-3530也是款由WENTEQ Microwave制(zhi)作的mm波低(di)嗓聲調大器,專(zhuan)為(wei)直徑波頻段(duan)設(she)定。ALN4000-10-3530低背景噪聲彈性系數(shu)和(he)高增益值基本特性使其作為(wei)高頻電力(li)平臺中(zhong)的關(guan)健配置文件,可可以有效(xiao)發展數(shu)據信號發送(song)的迅敏度和(he)平臺的整個(ge)耐腐蝕性。

運作
幀率位置:38 GHz~42 GHz
增益控制:35 dB
嗓聲因子:3 dB
1 dB 擠(ji)壓點:13 dBm
打出三階交調截點:19 dBm
收獲AA度:±1.5 dB
讀取/打(da)印輸出 VSWR:2.5:1
反相丟開:55 dB
本職工作氣溫空間:-40℃~+75℃
儲備溫暖區間:-55℃~+125℃
采用的領域
預警雷(lei)達系統性:適用(yong)公厘(li)波聲納的(de)(de)前端(duan)開發數據變(bian)大,的(de)(de)提(ti)升檢測遠距離和(he)導致精度。
定(ding)位通訊網絡:對于發送到(dao)(dao)到(dao)(dao)機的置于標題前增加器,提升的信(xin)號發送到(dao)(dao)到(dao)(dao)水平。
5G/6G 通(tong)訊:支撐mm毫米波(bo)頻段的基站天(tian)線和末端機器設備,不斷增強預警包括(kuo)和互傳生產(chan)率。
測試圖片與測量方法(fa):用在中(zhong)頻信(xin)息源的調(diao)大,抓好測(ce)式準確度。
東莞市立維創展高新科技是WENTEQ的(de)銷售商(shang),主要是給出(chu)WENTEQ車輛屬于(yu)環狀(zhuang)器(qi)(qi)、要進行隔離器(qi)(qi)、負債(zhai)末端等,車輛原廠進品,產品質量(liang)以(yi)確保,房價好(hao)處,迎接了解(jie)和咨詢。