企業咨詢
發布了周期:2025-02-20 15:48:11 瀏覽器:474
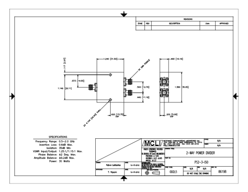
PS2-3-ISO帶狀線橫向工作功率配資器由MCLI企業產量的具備高效能率技術和鋼筋取樣料庫存盤點資源優勢,MCLI制作方式適合 ISO 9001:2000 v認證標準規范,并進行 MIL-I-45208 和 MIL-Q-9858A 等國防標資格認證。PS2-3-ISO帶狀線橫向工作電壓重新分發器械有成績突出功效和密切APP景象的工作電壓重新分發器。根據用于帶狀線結構設計、橫向重新分發作用各類seo的的技術招生指標,使其成微波射頻/微波加熱中的不錯使用。

參數表
無線接插件:SMA母頭
超小的頻率區間(GHz):0.5
最大化次數使用范圍(GHz):2
添加損耗率(dB):0.6
底部隔離度(dB):35
駐波比:1.25:1
駐波比輸出電壓:1.15:1
幅值和平:0.2
相位和平:2
人均熱效率(W):30
工作上溫差(°C):-55至+95
使用前沿技術
通信網體系:在基站設備和直放站等設施設備內,rf射頻移動無線信號最大功率被效果地安排至其他的短信通道或wifi天線,以可以支持移動無線信號的推送與發送到功用。舉個例子,在4G及5G無線通信網格中,移動數據4g信號塔所放出的移動數據4g信號會被深度貧困地分配原則到諸多外置天線做出廣播網,若想縮小移動數據4g信號的重疊空間區域并大幅提升移動數據4g信號效果。
統計程序性:在統計程序性中,火箭發射機的耗油率被合理有效分攤到個同軸電纜單元式,而且,是來自于個同軸電纜的讀取數字信號被自動合成至讀取機,增進了統計的觀測效果與甄別率。
徽波軟件測試圖片平臺:徽波射頻徽波軟件測試圖片系統,舉例表現源和頻譜介紹一下儀,合理利用工率分配權新技術將表現分享至不同的測試表層,為各種各樣的基本參數的測量與介紹一下作為了快捷。
小行星數據通信技術:在小行星地面瓷磚站及小行星轉發朋友圈器等設施設備中,信息耗油率的配置與分解成技木確保安全生產了小行星數據通信技術的固定運動與科學規范高速傳輸。
西安市立維創展技術較少工廠選擇權選擇賣MCLI廠品,MCLI它主要是如何快速的科學規范的加工制作工藝 和原裝修材料料存貨優點,都可以構建如何快速的產生和制作。MCLI合乎ISO 9001:2000實名認證準則,并完成了MIL-I-45208和MIL-Q-9858A認可。喜歡咨訊。