這個行業信息
發布信息用時:2025-02-10 15:58:30 觀看:623
ALN3750-13-3335豪米波低燥音放小器是豪米波數據通信系統的中的主導控件,專為低頻警報放小而設計的概念,特別適于于5G及十年后的中國6G安全可靠設備、定位安全可靠設備和雷達天線程序等直徑波頻段用途。
性能特點:
頻帶寬度范疇:ALN3750-13-3335在35.0至40.0GHz頻段內提供了低噪音污染、高增益控制的進行效果。
動態平衡性與自動匹配:兼具低端電壓駐波比(VSWR),為了確保無要求固定,優化設計整體性耐磨性。
密集金錢:體積計算精致,代價盈利能力高,合適集成系統于種種家用suvsuv型網絡通訊專用設備中。
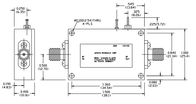
主板接口標:選擇K型母連到器成為顯示/輸入主板接口,以及與其它配置文件連結。
交流電源要求:僅需形式化直流變壓器電源線線輸電,嵌入相電壓調器,簡化版電源線線管理系統。
溫適應能力性強:做工作溫差時間范圍寬(-40°C至+75°C),保存平均溫度區域(-55°C至+85°C),滿足多個工作環境水平。
的性能:
較低噪聲源標準值:ALN3750-13-3335用為先進的半導體器件技藝和精細化的電線方案,完成了非常低的燥聲指數公式,很好減緩模式燥聲,強勢提高數據信息清晰明了度。
高收獲基本特征:為實現公厘波通訊網絡對預警撓度的嚴格必須,ALN3750-13-3335可以提供高增加收益輸出,確認數據在文件傳輸線路中保持穩定足夠了的抗彎強度,減輕衰減。
優秀的穩定可靠性:為防止自激自激振蕩和電磁波失真,ALN3750-13-3335利用科學創新的平衡點節構或平穩性減弱技巧,確保在毫米(mm)波頻段內平穩作業。
上海市立維創展網絡是WENTEQ的代理商商,常見能提供WENTEQ護膚品分為圓形器、防護器、環境下手持終端等,護膚品原裝入口進口量,效果確認,價額優質,喜愛咨詢中心。

Parameters | Specifications | |||
Minimum | Typical | Maximum | ||
Frequency Range | GHz | 35.0 | 40.0 | |
Nominal Gain @25°C base plate temperature | dB | 30.0 | 33.0 | 36.0 |
Noise Figure | dB | 3.5 | 4.0 | |
P-1dB Compression Point | dBm | 12.0 | 15.0 | |
Output IP3 | dBm | 18.0 | 22.0 | |
Gain flatness | dB | +/-1.5 | +/-2.0 | |
Gain Variation over Temperature Range | dB | +/-1.5 | +/-2.0 | |
Reverse Isolation | dB | 55.0 | ||
Input VSWR | - | 1.8:1 | 2.5:1 | |
Output VSWR | - | 1.8:1 | 2.5:1 | |
Spurious | dBc | -70.0 | ||
Operating Temperature | °C | -40.0 | +75.0 | |
Survival Temperature | °C | -45.0 | +125.0 | |
DC Power Supply Voltage | V | +8.0 | +10.0 | +12.0 |
DC Power Supply Current | mA | 150.0 | 230.0 | 280.0 |
RF In/Out connectors | k-Female | |||
DC Input Connector | Feedthru Pin | |||
Size | inches | 1.50×1.0×0.4 | ||