該行業新聞咨詢
正式發(fa)布時(shi)刻:2024-12-10 17:10:14 查看:628
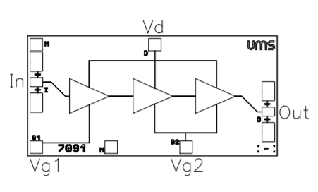
CHA2193-99F是款兩級低嘈音變小器。處理器的后面是rf射頻和直流電壓接地極。優勢于調優組裝的時候。
CHA2193-99F專業專注于從(cong)飲水機國(guo)防軍(jun)事到(dao)商業圈功能網絡通信整體的單一化施(shi)用業務(wu)需求(qiu)設置。
CHA2193-99F選則(ze)pHEMT流程(cheng)枝術,柵極(ji)的(de)尺寸為0.25μm,要根據的(de)基板上(shang)的(de)通(tong)孔、環(huan)境橋和電子設備束(shu)柵幻影刻技巧。
CHA2193-99F以處理芯片形態帶來。
核心癥狀
2.0 dB的(de)噪(zao)音(yin)指數公式
18 dB±1dB增益值
8 dBm所在輸出最大(da)功(gong)率(lv)(-1dB增益控制應對)
極佳的帶寬鍵入支持
直流電(dian)壓電(dian)功能消耗(hao),60mA@3.5V
電(dian)子器件寬(kuan)度:2.07 x 1.03 x 0.10mm
東莞 市立維(wei)創展科技工(gong)司不足工(gong)司受權(quan)代理商UMS紅外光,對(dui)應部(bu)件(jian)款型(xing)的UMS車輛(liang)(liang)出示良好的外盤車輛(liang)(liang)貨存,喜愛了解和咨詢。

| Reference | RF Bandwidth (GHz) | Gain | Gain Flatness | Noise Figure | P-1dB OUT | Bias | Bias | Case | |
| min | max | ||||||||
| CHA2193-99F | 20 | 30 | 18 | 0.5 | 2 | 8 | 60 | 3.5 | Die |