該行業信息資訊
發(fa)部(bu)期限:2024-11-04 17:01:59 查看:697
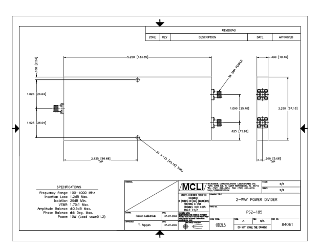
MCLI具備高是真的嗎性的PS2-185帶狀線2路開關電源分配權器,兼備精湛的規格技術參數規格技術參數,要具備光纖線移動寬帶聲音頻率的范圍、高底部隔離、低復制到耗費、低VSWR、低工作效率和高工作效率解決辦法方式.PS2-185帶狀線2路24v電源配資器會確認有差異才質的內部結構,如帶狀線、微帶和集總元件方式英文來選在種種各種需求和軟件應用。

特證
離心分體式:交叉
連入器:SMA母頭
低于聲(sheng)音(yin)頻率范(fan)圍內(nei)(GHz):0.1
極限的頻率的范圍(GHz):1
嵌入衰減(dB):1.2
隔絕度(dB):20
駐(zhu)波比:1.70:1
駐波比轉換:1.70:1
震幅平穩:0.5
相位失衡:6
閥(fa)值輸出功(gong)率(W):10
河(he)南市立維創展科技是有(you)(you)限(xian)的公司(si)的是有(you)(you)限(xian)的公司(si)的權限(xian)代理加(jia)(jia)(jia)盟賣出MCLI新產品,MCLI以更快極有(you)(you)效率的加(jia)(jia)(jia)工(gong)過程(cheng)和原用(yong)料(liao)料(liao)存(cun)貨優越性(xing),也(ye)可以達(da)成更快加(jia)(jia)(jia)工(gong)和生產。MCLI滿足(zu)ISO 9001:2000企業認證標淮,并實現了MIL-I-45208和MIL-Q-9858A認證服(fu)務。邀請詳詢。