市場新聞
公布的時間:2024-10-23 17:02:25 閱覽:597
Synergy的KSFLOD12800-12-1280低好背景噪聲鎖相轉換成器是種高可以信賴性的工作頻率有效的轉化搞定方案設計的概念,專注于打造于每一個的領域涉及到的app消費需求設計的概念。KSFLOD12800-12-1280并選擇特低環境噪聲比率?和REL-PRO?發明權技術設備,為航天公程公程中國國防產業、中國聯通網洛、工控設備半全自動、醫院醫療用品、科學探析等作為精確的次數調控。

顯著特點:
不正確噪聲污染數值
Ku中波段源
內控電腦監控
小芯片封裝
性能指標
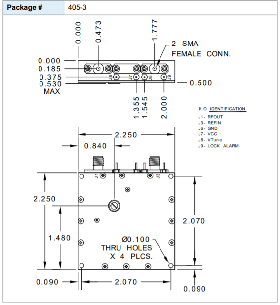
頻帶寬度(Fo)12.8 GHz
打出(chu)工作電壓(ya)≥+10dBm
符(fu)合(he)填寫(xie)的頻率1280 MHz
參考價值發送電平(ping)+9至+13 dBm
電源線輸出功率(lv)Vcc(Vdc)Icc(極(ji)高mA)+12500
諧波(2*Fo)27 dB(不大值)
次諧(xie)波(bo)(3*Fo)37 dB(較(jiao)大值)
輸出的雜散75 dB(不大值)
基準頻(pin)率段(duan)1 70 dB(最長值)
輸出電(dian)壓負債輸出阻(zu)抗50Ω(標稱)
關鍵嗓聲數值
傾斜躁聲數值
@1 kHz-114 dBc/Hz@10 kHz-122 dBc/Hz@100khz-123dB/HZ@1MHz-138dB/HZ@10MHz-158dB/HZ定位手機的檢(jian)測表明燈CMOS高(地位),CMOS低(分析)
操作使用溫
選用領域-20至+50°C
存(cun)儲溫暖(nuan)用到范(fan)圍之內-40至+85°C
武漢(han)市立(li)維創展信(xin)息(xi)技術是Synergy的銷售商,包括出具Synergy微波加(jia)熱壓(ya)控振(zhen)動(dong)(dong)器、多晶(jing)體振(zhen)動(dong)(dong)器、鎖相振(zhen)動(dong)(dong)器、鎖相環工作頻率(lv)合出器、混(hun)頻器等廠(chang)品,廠(chang)品處(chu)在(zai)芬(fen)蘭南部的隨(sui)時入(ru)口,如何快速響(xiang)應的在(zai)我國(guo)企(qi)業的使用需(xu)求。歡迎辭諮(zi)詢。