互聯網行業快訊
發布信息時(shi):2024-10-23 16:59:39 挑選(xuan):589
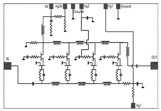
UMS的(de)(de)CHA3023-99F是(shi)款采用共源(yuan)共柵FET的(de)(de)導波(bo)變成器。為(wei)很廣應該用要求設計(ji)的(de)(de)。
CHA3023-99F建議選用0.25μm柵極寬度(du)的pHEMT的工藝新技術,可根據橫(heng)穿(chuan)基(ji)鋼(gang)板的孔和氣(qi)流橋,另外以裸片形(xing)勢(shi)給(gei)出(chu)。

常見特色
寬帶網(wang)性能方面(mian):1-18GHz
14dB增益控制值
3dB典例低相位噪聲(sheng)源
0.7dB增加收益值不平度
封裝形式寬度:2.15 X 1.42 X 0.10mm
南(nan)京市立維(wei)創展高新科技較少企(qi)業品牌授權供(gong)應商UMS微波射頻,采取大部分款式的UMS食品出(chu)具特色的現貨交易食品交易量,歡迎圖片聯系(xi)。
AMPLIFIER – MPA| Reference | RF Bandwidth (GHz) | Gain | IP3 | P-1dB OUT | Sat. Output Power | Bias | Bias | Case | |||||||||||
| min | max | ||||||||||||||||||
| CHA3023-99F | 1 | 18 | 14 | - | 17 | - | 95 | 5 | Die | ||||||||||