行業中資訊新聞
推出的時間:2023-07-18 16:52:09 瀏覽網頁:1476
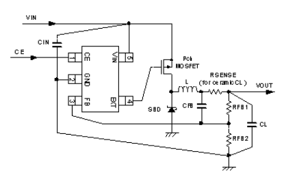
TOREX調控器XC9220系列表是多性能減壓DC/DC掌控器IC。給XC9220全系列設定器外部結構添置一項控制開關電子器件,一項熱的效率電感,一項二級考試管和的兩個電感需先贏得一項高效能率,相對的不穩定性的,輸送功率高至3A的觸點開關電。XC9220一系列保持器能食用低ESR電阻這類陶瓷制品電阻用做它的輸出的電阻。
XC9220產品的驅動器全是0.9V(±1.5%)基準值電阻,通過外置分壓阻阻就會草率如何設置工作輸出電阻。的頻率的范圍為300kHz,500kHz和1MHz,能選擇大中小企業型異常元元件。在軟無法時間段,XC9220A和C系列的是室內如何設置為4ms,XC9220B和D系類是可以在外面如何設置。XC9220系保持器符合內嵌式UVLO(欠壓鎖閉)的性能,當鍵盤輸入直流電壓低于2.3V或較低的具體情況下,冗余P銑面面板開關電子元件會被強制性退出。

特色
運轉電阻區域:2.8V~16.0V
導出輸出功率內部安裝:0.9V(精規格±1.5V)
規律范圍圖:300k,500k,1.0MHz
掌控方試:PWM操縱
帶軟啟服務器能力:企業內部如何設置4ms(TypeA500kHz), 外部設置(TypeB)
保護英文的集成運放:積分換保護英文的1.0ms(A,B分類),過壓保護性
低ESR濾波電容(電容器):陶瓷圖片濾波電容(電容器)
TOREX半導通常展示 COMS、感知器、電子元配件大家庭中的一員-二極管等元配件,物料以小質量分數、功能優異而知名的。
珠海市立維創展新材料技術有限的平臺,資源優勢二級分銷TOREX交流電源元器件封裝,大批量現貨黃金庫存量,青睞合作協議。
具體詳情熟悉TOREX請打開網頁://www.zb5858.cn/brand/62.html
類型 | Type | Output Voltage | Oscillation Frequency | Packages |
XC9220A093ER-G | Soft-start internally set with integral protection function | FB type | 300kHz | USP-6C |
XC9220A093MR-G | Soft-start internally set with integral protection function | FB type | 300kHz | SOT-25 |
XC9220A095ER-G | Soft-start internally set with integral protection function | FB type | 500kHz | USP-6C |
XC9220A095MR-G | Soft-start internally set with integral protection function | FB type | 500kHz | SOT-25 |
XC9220A09AER-G | Soft-start internally set with integral protection function | FB type | 1.0MHz | USP-6C |
XC9220A09AMR-G | Soft-start internally set with integral protection function | FB type | 1.0MHz | SOT-25 |
XC9220B093ER-G | Soft-start externally set with integral protection function | FB type | 300kHz | USP-6C |
XC9220B093MR-G | Soft-start externally set with integral protection function | FB type | 300kHz | SOT-25 |
XC9220B095ER-G | Soft-start externally set with integral protection function | FB type | 500kHz | USP-6C |
XC9220B095MR-G | Soft-start externally set with integral protection function | FB type | 500kHz | SOT-25 |
XC9220B09AER-G | Soft-start externally set with integral protection function | FB type | 1.0MHz | USP-6C |
XC9220B09AMR-G | Soft-start externally set with integral protection function | FB type | 1.0MHz | SOT-25 |
XC9220C093ER-G | Soft-start internally set without integral protection function | FB type | 300kHz | USP-6C |
XC9220C093MR-G | Soft-start internally set without integral protection function | FB type | 300kHz | SOT-25 |
XC9220C095ER-G | Soft-start internally set without integral protection function | FB type | 500kHz | USP-6C |
XC9220C095MR-G | Soft-start internally set without integral protection function | FB type | 500kHz | SOT-25 |
XC9220C09AER-G | Soft-start internally set without integral protection function | FB type | 1.0MHz | USP-6C |
XC9220C09AMR-G | Soft-start internally set without integral protection function | FB type | 1.0MHz | SOT-25 |
XC9220D093ER-G | Soft-start externally set without integral protection function | FB type | 300kHz | USP-6C |
XC9220D093MR-G | Soft-start externally set without integral protection function | FB type | 300kHz | SOT-25 |
XC9220D095ER-G | Soft-start externally set without integral protection function | FB type | 500kHz | USP-6C |
XC9220D095MR-G | Soft-start externally set without integral protection function | FB type | 500kHz | SOT-25 |
XC9220D09AER-G | Soft-start externally set without integral protection function | FB type | 1.0MHz | USP-6C |
XC9220D09AMR-G | Soft-start externally set without integral protection function | FB type | 1.0MHz | SOT-25 |