企業新聞
發布信息時間:2023-07-20 17:01:44 瀏覽記錄:1530
SILERGY(矽力杰)SQ76001RCC是款3MHz、1.2A此次穩壓三相調壓器,SQ76001RCC在某一個大中型型二極管封裝(2.5mm×2.0mm,H=1.1mm)中結合化功效電感和結合處理器。SQ76001RCC高質量化,3MHz,1.2A內置電功率電感搜集穩壓電壓穩壓器。

結構特征
里面的調控控制開關(殼體/下端)低RDS(ON):230mΩ/150mΩ
集合化電感以明顯效率減輕外界元件和PCB一體化設計方案
2.5~5.5V交流電壓區間
1.2A累計性輸送感應電流耐腐蝕性
3MHz高辦公頻繁 大容許較低了第三方版塊
內部管理軟啟用抑制浪涌電流值
100%Dropout在使用
充分考慮RoHS條件且無鹵化物
打印輸出手動化充自放電職能
主體工程型打包封裝:QFN2.5×2-8
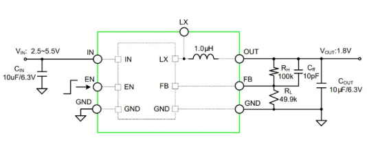
SILERGY(矽力杰)主要是生產銷售交流開關電源處理芯片、交流開關電源電源模塊等仿真模擬配件。隨著SQ76001RCC收費高,交貨時間長,市廠網友推薦pin to pin原位替換SQ76001RCC,方式型號查詢為:MUN3CAD01-SB,MUN3CAD01-SB高效率的DC/DC電壓模快。在2.5V和5.5V輸入端電壓的范圍內的電動機扭矩電壓高至1.2A時制造+1.8V所在電流值。MUN3CAD01-SB控制開關次數為3.0MHz,利用所出示的控制模塊可變現高至90%的利用率。現貨黃金優勢市場價,歡迎大家網絡咨詢。
寶貝詳情介紹MUN3CAD01-SB請打開網頁://www.zb5858.cn/article/2669.html