相關行業新聞資訊
上傳時長:2018-06-06 10:29:37 瀏覽訪問:2628
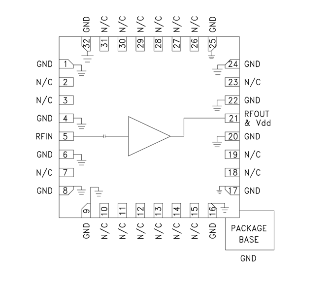
HMC907APM5E有的是款GaAs MMIC pHEMT分布圖式輸出圖像運放電路,業務頻次範圍為0.2 GHz至22 GHz。該自偏置輸出圖像運放電路出具14 dB增益值值控制、+40 dBm輸出IP3和+28 dBm輸出輸出(1 dB增益值值控制進行壓縮),輸出功率僅350 mA(用于+10 V24v電源)。HMC907APM5E在0.2 GHz至22 GHz範圍內出具±0.7 dB的更加出色增益值值控制平整度,故而更加比較合適EW、ECM、汽車雷達和軟件測試機 應用。HMC907APM5E圖像運放電路I/O內外篩選至50 Ω,方面ibms到多電源芯片方案(MCM)中,用于無引腳QFN 5x5 mm表貼二極管封裝,不需外鏈篩選零件。
品牌
型號
描述
貨期
庫存
ADI
HMC907APM5E
HMC907APM5ETR
GaAs pHEMT MMIC功率放大器0.2 - 22 GHz
現貨
69
HMC907APM5E應用
HMC907APM5E優勢和特點
HMC907APM5E結構圖
