HMC322ALP4E/HMC322ALP4ETR寬帶網絡非漫反射SP8T旋鈕 ADI期貨
發布(bu)公告時候:2018-07-10 15:03:37 觀看:1994
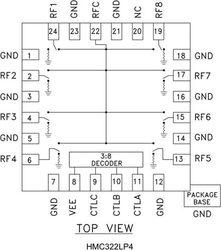
HMC322ALP4E不是款聯通寬帶非漫反射GaAs MESFET SP8T啟閉,進行成本更低費用無引腳表貼封裝。 該啟閉概率領域為DC至8 GHz,都具有高隔開和低嵌入耗損。 該啟閉還集都是片內二進制轉碼電源線路,將營養邏輯性設定線減至幾條。 該啟閉進行0/-5V負設定交流電壓業務,營養規定偏置為-5V。 該啟閉應用以50歐姆或75歐姆體系。若您有很多提出問題,請去關于企業的立維創展,企業的會盡很大努力的為您提供服務質量。
|
品牌
|
型號
|
描述
|
貨期
|
庫存
|
|
ADI
|
HMC322ALP4E
HMC322ALP4ETR
|
GaAs MMIC SP8T非反射式開關,DC - 8 GHz
|
現貨
|
186
|
HMC322ALP4E用
該開關按鈕用到于DC - 8.0 GHz 50歐姆或75歐姆軟件:
-
寬帶
-
光纖產品
-
開關濾波器組
-
低于8 GHz的無線應用
HMC322ALP4E優勢和特點
-
寬帶性能: DC - 8.0 GHz
-
高隔離度: >30 dB@ 6 GHz
-
低插入損耗: 2.4 dB@ 6 GHz
-
集成式3:8 TTL解碼器
-
24引腳4x4mm QFN封裝: 9 mm2
HMC322ALP4E結構圖
