互聯網行業知識
發布的期限:2018-07-09 10:55:44 查看:2359
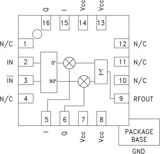
HMC630LP3和HMC630LP3E均為高動態范圍矢量調制器RFIC,可用于RF預失真和前饋消除電路以及RF波束成形和幅度/相位校正電路。 HMC630LP3(E)的I和Q端口可用來連續改變RF信號的相位和幅度,最多分別達到360°和40 dB,同時支持180 MHz的3 dB調制帶寬。 輸出IP3為+24.5 dBm,輸出噪底為-162 dBm/Hz(最大增益設置),因此輸出IP3/噪底比為186.5 dB。若您有某些疑惑,請取得咨詢我門公司立維創展,我門公司會盡主要認真為您服務。
| 品牌 | 型號 | 描述 | 貨期 | 庫存 |
| ADI |
HMC630LP3E HMC630LP3ETR |
HBT矢量調制器,采用SMT封裝,700 - 1,000 MHz | 現貨 | 169 |
HMC630LP3E用
HMC630LP3E優勢和特點
HMC630LP3E結構圖
