HMC338LC3B/HMC338LC3BTR軍工智能家居控制LO混頻器 ADI現貨黃金
發布的用時:2018-07-06 15:36:46 看:7357
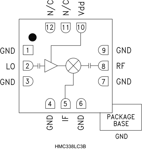
HMC338LC3B是款一體化LO變成器的24 - 34 GHz次諧波(x2) MMIC混頻器,運用合適RoHS準則的無引腳SMT裝封。 在30 dB時,2LO至RF消毒安全性能出眾的,免特別濾波。 LO變成器運用單偏置(+3V到+4V)開發,需-5 dBm的標稱能夠。 RF和LO表層為隔直表層并連接50 ?,安全安全使用非常方便,另外IF的運轉速度範圍為DC至3 GHz。 HMC338LC3B免線焊,不錯安全安全使用表貼制造廠的技術。
|
品牌
|
型號
|
描述
|
貨期
|
庫存
|
|
ADI
|
HMC338LC3B
HMC338LC3BTR
|
次諧波混頻器,采用SMT封裝,24 - 34 GHz
|
現貨
|
237
|
技術應用
-
點對點無線電
-
點對多點無線電和VSAT
-
測試設備和傳感器
-
軍用最終用途
-
SATCOM
HMC338LC3B優勢和特點
-
集成LO放大器: -5 dBm輸入
-
次諧波(x2) LO
-
DC - 3 GHz帶寬IF
-
符合RoHS標準的3x3 mm SMT封裝
-
單正電源: +4V (31mA)
HMC338LC3B結構圖
